EasyManua.ls Logo

Graco 223-599 - Page 27

Graco 223-599
32 pages
Print Icon
To Next Page IconTo Next Page
To Next Page IconTo Next Page
To Previous Page IconTo Previous Page
To Previous Page IconTo Previous Page
Loading...
 
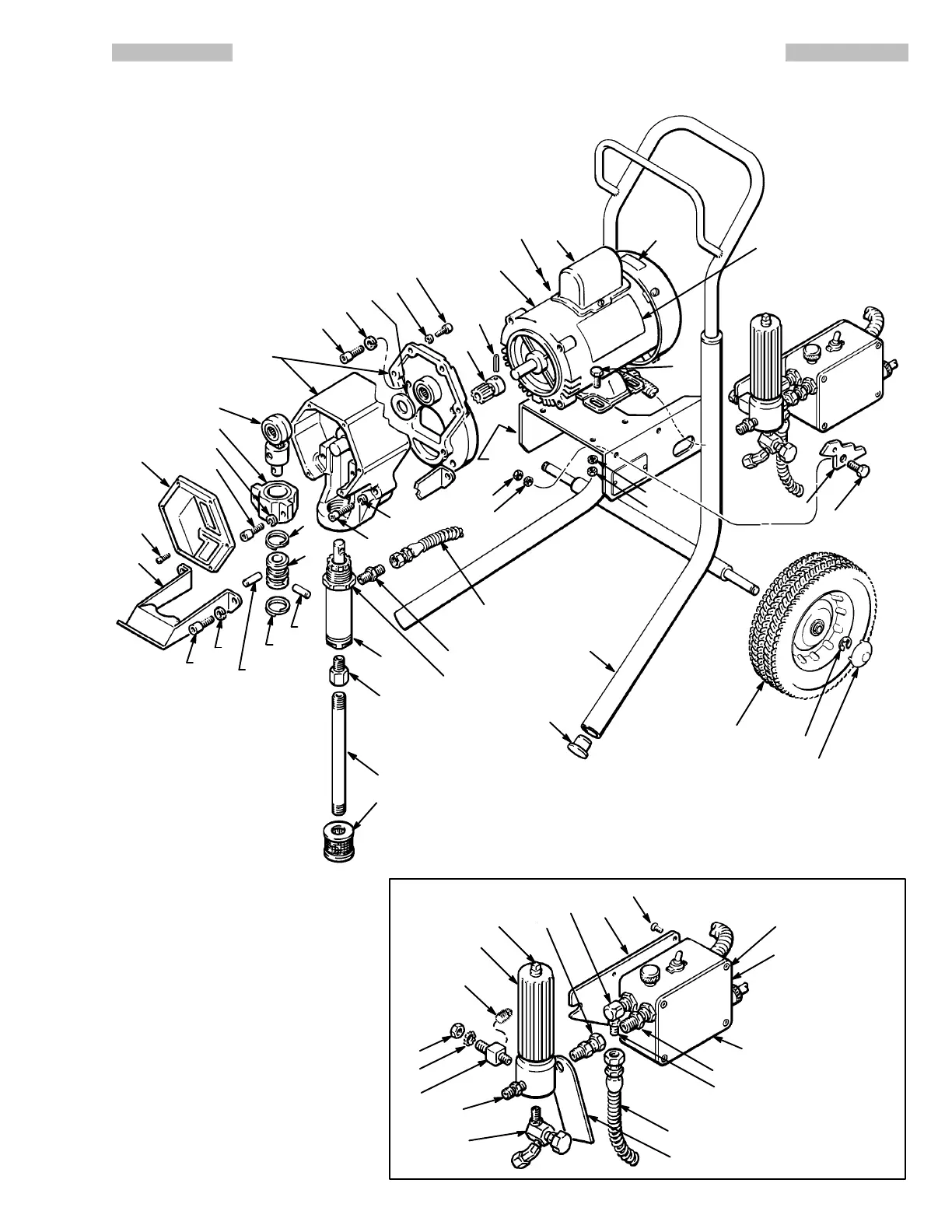
PARTS
DRA
WING – SPRAYER WITH UPRIGHT CART
120
4
23d*
5
5
55e
55f
55c
55b
113
19
35
20
18
53
54
3
129a
52
10
112
58
38
29
14
34
33
34
33
36
55d
55a
23
23e
129
37
27
25
40
Ref
312
313
302
84
Ref 52
47
122
123
119
46
95
99
97
132
7
Ref 40
50
SEE DETAIL BELOW
4
Ref No. 23
Electric Motor
Includes items 23a to 23g
Ref No. 55
Drive Assembly
Includes items 55a to 55h
Ref No. 50
Pressure Control
See page 23 for
parts
DETAIL
41
133
MODEL 231–599, Series A
Basic Sprayer with Upright Cart
10
55g
49
48
3
23g
7
23b
DANGER
LABEL, ENGLISH
DANGER
LABEL,
FRENCH
47a
134

Related product manuals