EasyManua.ls Logo

Graco 231-043 - Page 35

Graco 231-043
44 pages
Print Icon
To Next Page IconTo Next Page
To Next Page IconTo Next Page
To Previous Page IconTo Previous Page
To Previous Page IconTo Previous Page
Loading...
35
307–785
FIg 35–1
16
20
49
24
25
23
E
67
67b
51
67a 9
9
34
26
20
59
69
R
26
13
70
40
36,63
345
75
31
1
87
8
10
11
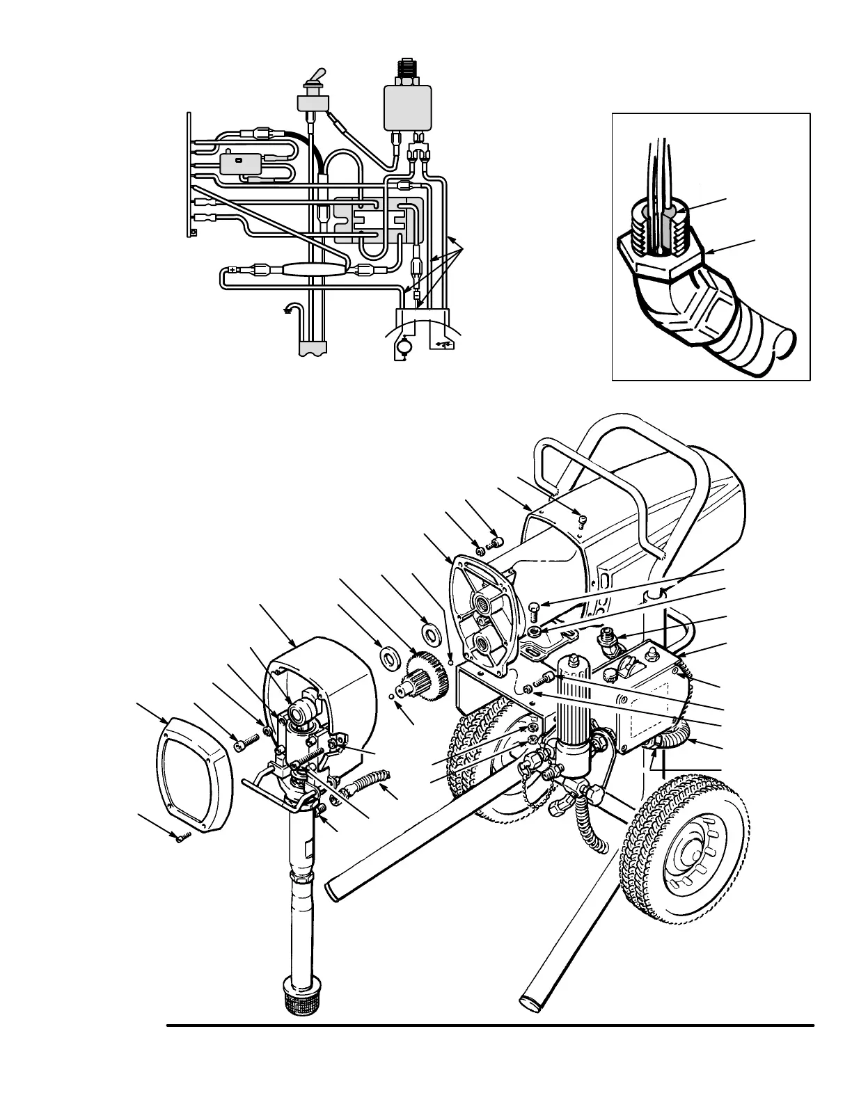
DETAIL
Shows
position of
conduit seal (29) in
conduit connector
(345)
29
345
WIRING DIAGRAM
AC1
AC2
G1
G2
_
+
WHITE
BLUE
YELLOW
RED
GREEN
BLACK
WHITE
THERMAL SWITCH
GROUND
WIRE
BLACK
POWER SUPPLY CORD
MOTOR
MOTOR
LEADS
LIBERALLY
APPL
Y GREASE

Other manuals for Graco 231-043

Related product manuals