EasyManua.ls Logo

Graco 246029 - Page 59

Graco 246029
62 pages
Print Icon
To Next Page IconTo Next Page
To Next Page IconTo Next Page
To Previous Page IconTo Previous Page
To Previous Page IconTo Previous Page
Loading...
Parts
309574C 59
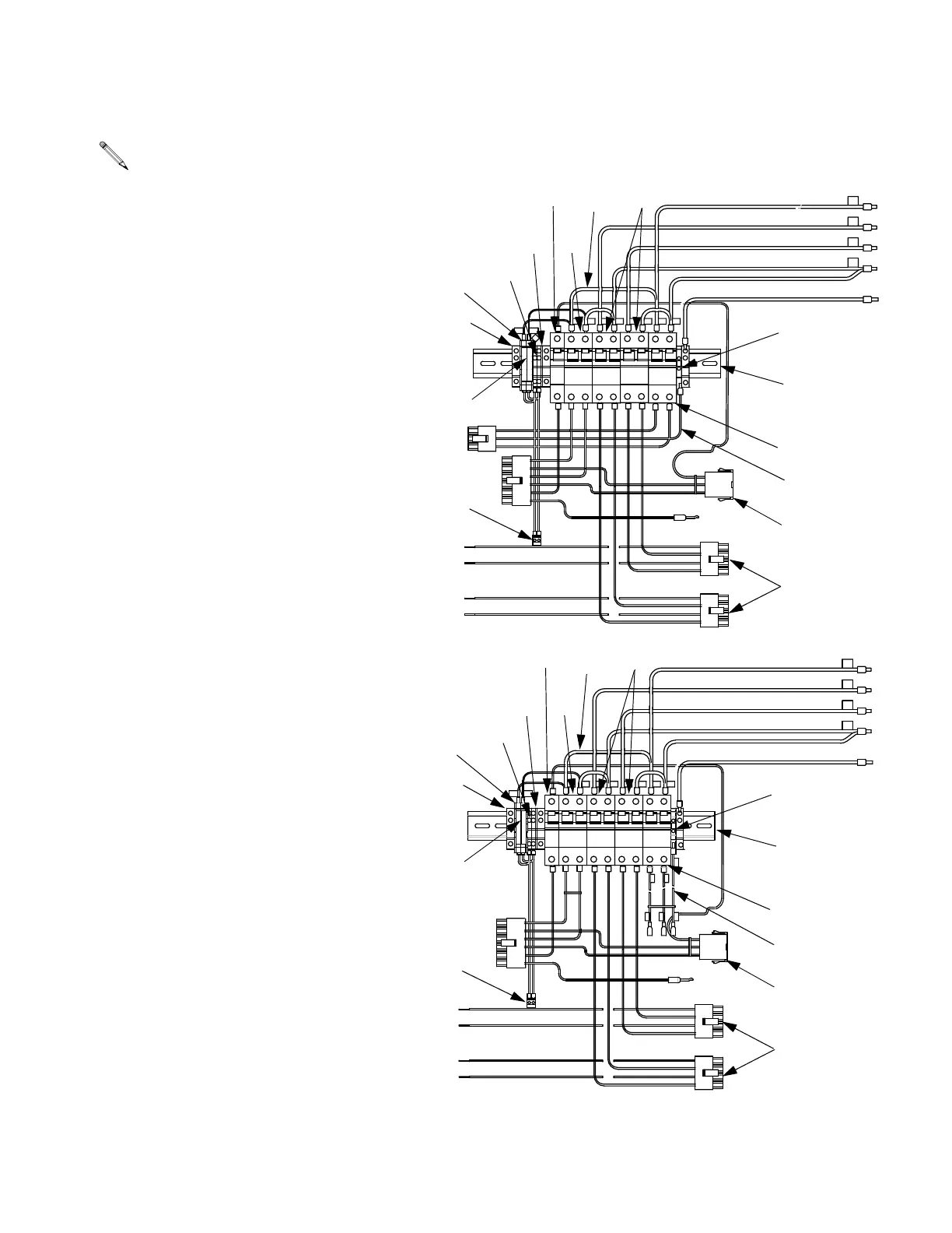
380V, 3 Phase Circuit Breaker Modules
For wiring and cable connections, refer to electri-
cal diagrams supplied. See page 60 for parts list.
1520
1600
1530
1620
1650
1670
1660
1690
1690
1670
1620
1600
1880
1872
1851
1750
1830
1730
1820
L1
N
GND
GND
1070
1090
N
L1
1851
1820
1830
1520
1530
1650
1660
1070
1071
1091
1090
1880
J9
J2
J1
FU 112
FU 113
L1
N
L2
N
L3
N
L1
N
L1
L2
L3
N
1620
1530
1600
1520
1650
1670
1660
1690
1600
1620
1670
1690
1872
1851
1750
1830
1730
1820
1090
GND
1070
1851
1820
1830
1520
1530
1650
1660
1070
1090
GND
L1
N
1070
1090
L1
N
1880
1880
J9
J2
J1
J1
FU 112
FU 113
LI
N
L2
N
L3
N
L1
N
L1
L2
L3
N
D
816
811
92*
813
817
808
801
804
Part No. 246096 (E-20, E-30, E-XP1)
Part No. 246098 (E-XP2)
810
817
806
815
809
802
819
803,
814,
818
816
811
92*
813
817
808
801
804
810
817
806
815
809
802
819
803,
814,
818
* Ref. No. 92 not included with module.
Order separately, see page 46.
* Ref. No. 92 not included with module.
Order separately, see page 46.

Other manuals for Graco 246029

Related product manuals