EasyManua.ls Logo

Graco HYDRA-CLEAN 2545 - Parts Drawing

Graco HYDRA-CLEAN 2545
22 pages
Print Icon
To Next Page IconTo Next Page
To Next Page IconTo Next Page
To Previous Page IconTo Previous Page
To Previous Page IconTo Previous Page
Loading...
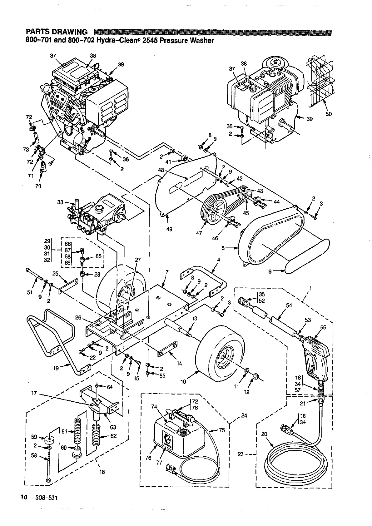
PARTS DRAWING
800-701
and
800-702
All manuals and user guides at all-guides.com

Related product manuals