EasyManua.ls Logo

Graco Mark VII - Page 72

Graco Mark VII
88 pages
Print Icon
To Next Page IconTo Next Page
To Next Page IconTo Next Page
To Previous Page IconTo Previous Page
To Previous Page IconTo Previous Page
Loading...
Diagrams and Parts
72 3A6342A
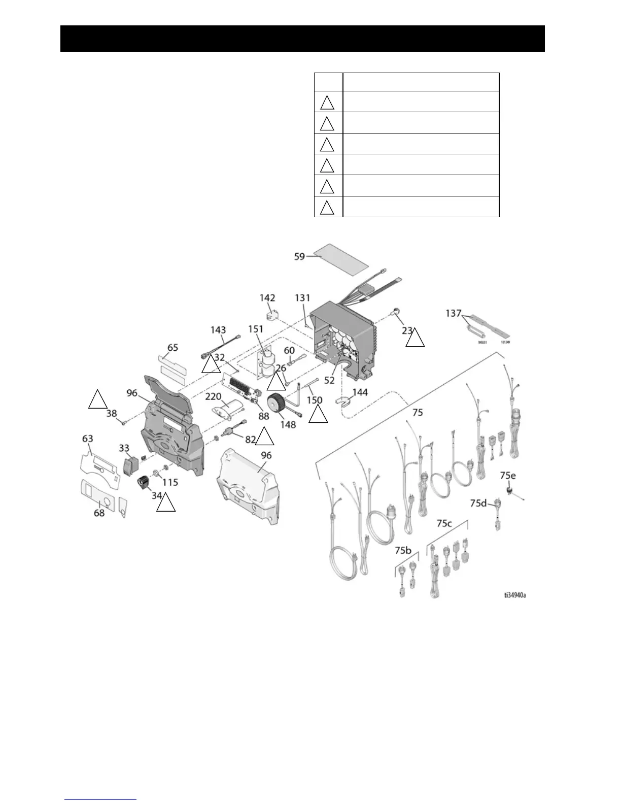
Control Box Diagram
Ref. Torque
10-15 in-lb (1.1 - 1.7 N•m)
40-45 in-lb (4.5 - 5.0 N•m)
200-230 in-lb (22.6 - 25.9 N•m)
30-35 in-lb (3.3 - 3.9 N•m)
15-20 in-lb (1.7 - 2.2 N•m)
2-3 in-lb (0.2 - 0.4 N•m)
1
2
3
4
5
6
1
2
3
2
4
5
6

Other manuals for Graco Mark VII

Related product manuals