EasyManua.ls Logo

Gravely 988077 - Wiring Diagram

Gravely 988077
46 pages
Print Icon
To Next Page IconTo Next Page
To Next Page IconTo Next Page
To Previous Page IconTo Previous Page
To Previous Page IconTo Previous Page
Loading...
9 - 41
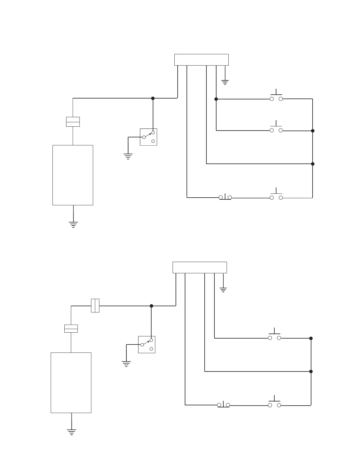
9.15 WIRING DIAGRAM
Models 988089, 310
Models 988088, 091, 309
BROWN/YELLOW
RED/YELLOW
KEY
SWITCH
1
2
G
PTO
SWITCH
TRANSMISSION
SWITCH
BLACK
INTERLOCK
MODULE
RED/VIOLET
1
2
1
2
RIGHT HANDLE
BAR SWITCH
1
2
LEFT HANDLE
BAR SWITCH
M
A B C D E F
BLACK
BLACK
ENGINE
WHITE/BLACK
YELLOW/RED
PG0500
BROWN/YELLOW
RED/YELLOW
KEY
SWITCH
1
2
G
PTO
SWITCH
TRANSMISSION
SWITCH
BLACK
INTERLOCK
MODULE
RED/VIOLET
1
2
1
2
BALE
SWITCH
M
BLACK
BLACK
ENGINE
WHITE/BLACK
YELLOW/RED
A B C D E F

Table of Contents

Related product manuals