EasyManua.ls Logo

GRE HPGI50 - Page 123

GRE HPGI50
282 pages
Print Icon
To Next Page IconTo Next Page
To Next Page IconTo Next Page
To Previous Page IconTo Previous Page
To Previous Page IconTo Previous Page
Loading...
- 121 -
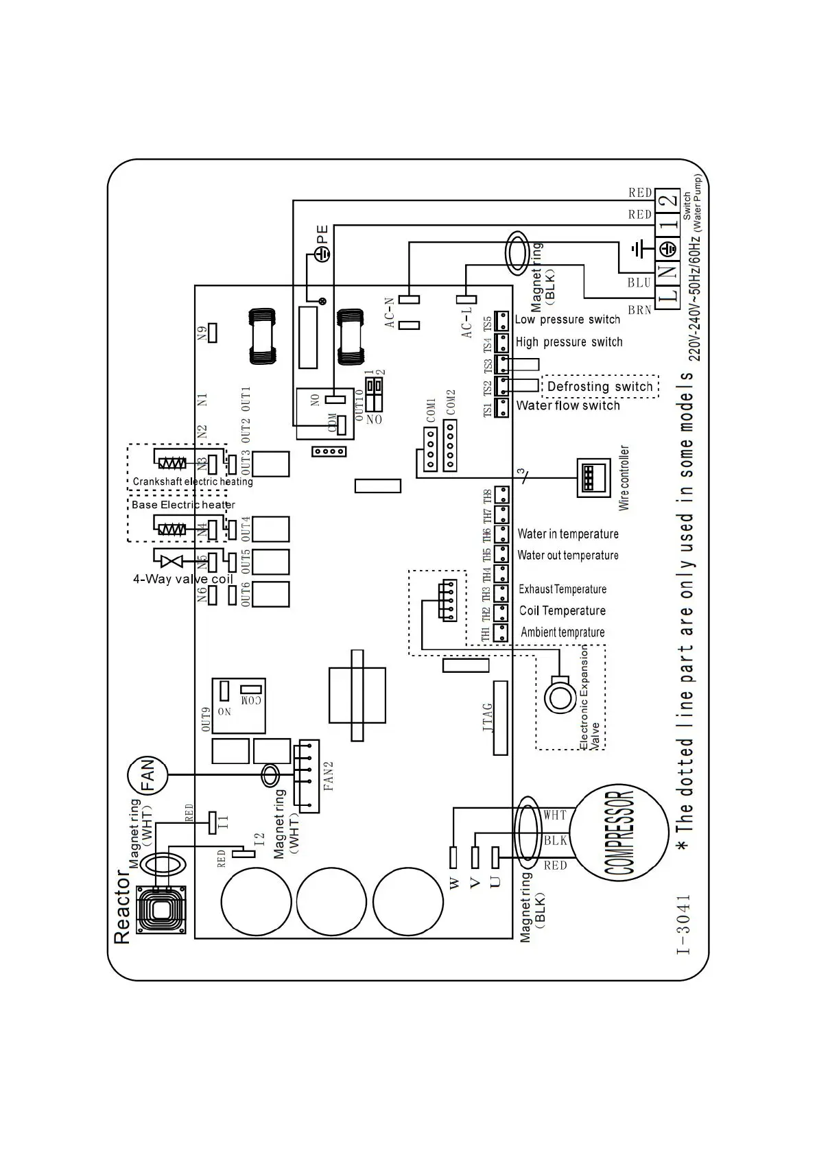
5. Câblage Electrique
5.1 Schéma de câblage de la pompe à chaleur
HPGI50, HPGI60 ,HPGI70,HPGI85

Table of Contents

Related product manuals