EasyManua.ls Logo

GRE HPGI50 - Page 149

GRE HPGI50
282 pages
Print Icon
To Next Page IconTo Next Page
To Next Page IconTo Next Page
To Previous Page IconTo Previous Page
To Previous Page IconTo Previous Page
Loading...
147
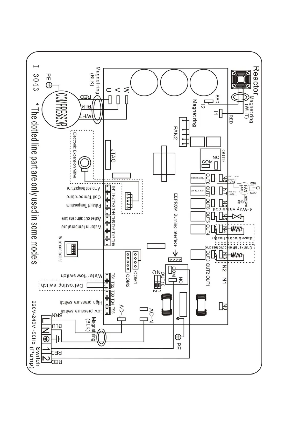
5. Elektrische Verkabelung
5.1 VERKABELUNGSDIAGRAMM DER SCHWIMMBECKEN-WÄRMEPUMPE
HPGI50, HPGI60 ,HPGI70,HPGI85
HINWEIS:
(1) Der Schaltplan dient nur zu ihrer Referenz

Table of Contents

Related product manuals