EasyManua.ls Logo

Gree GMV-224WM/G-X

Gree GMV-224WM/G-X
305 pages
To Next Page IconTo Next Page
To Next Page IconTo Next Page
To Previous Page IconTo Previous Page
To Previous Page IconTo Previous Page
Loading...
Gree GMV6 DC Inverter VRF Units Service Manual
296
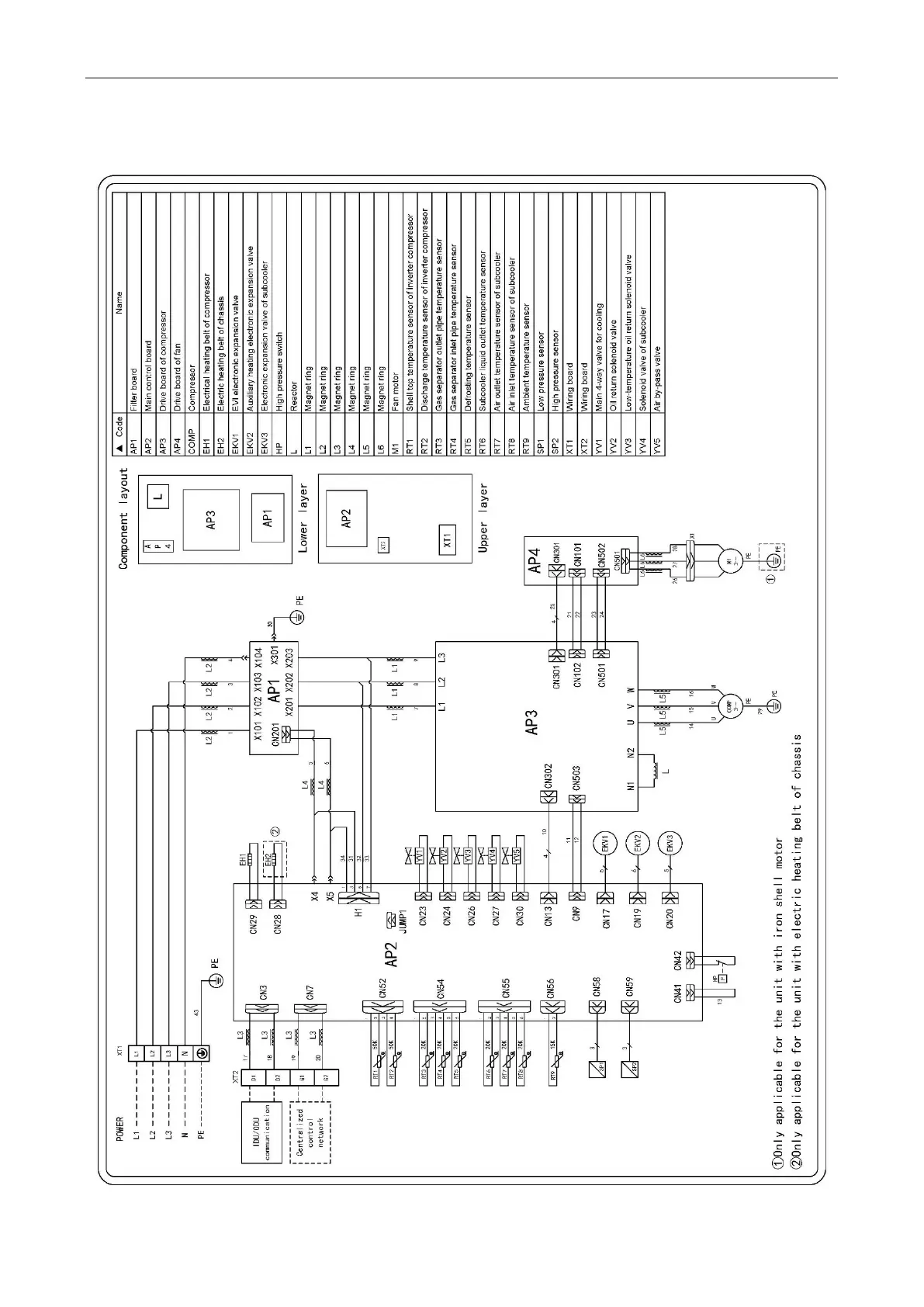
Appendix 5 Circuit Diagram
GMV-224WM/G-X, GMV-280WM/G-X and GMV-335WM/G-X

Other manuals for Gree GMV-224WM/G-X

Related product manuals