EasyManua.ls Logo

Gree GRH085DB-K6NA1A

Gree GRH085DB-K6NA1A
53 pages
To Next Page IconTo Next Page
To Next Page IconTo Next Page
To Previous Page IconTo Previous Page
To Previous Page IconTo Previous Page
Loading...
8
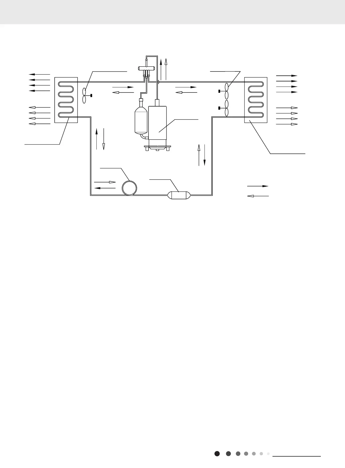
Technical Information
4. Refrigerant System Diagram
OUTDOOR COILS
HOT DISCHARGED AIR
COOLED AIR
COMPRESSOR
AXIAL FAN
CENTRIFUGAL FAN
CAPILLARY
REFRIGERANT FLOW DIRECTION
NOTES:
COOLING MODE
HEATING MODE
HOT AIR
COOLED AIR
INDOOR COILS
STRAINER
RELEASE
VALVE
CAPILLARY
OUTDOOR COILS
HOT DISCHARGED AIR
COOLED AIR
COMPRESSOR
CENTRIFUGAL FAN
CENTRIFUGAL FAN
CAPILLARY
REFRIGERANT FLOW DIRECTION
NOTES:
COOLING MODE
HEATING MODE
HOT AIR
COOLED AIR
INDOOR COILS
STRAINER

Related product manuals