EasyManua.ls Logo

Gree GTH24K3FI - Page 44

Gree GTH24K3FI
186 pages
Print Icon
To Next Page IconTo Next Page
To Next Page IconTo Next Page
To Previous Page IconTo Previous Page
To Previous Page IconTo Previous Page
Loading...
U-Match Series DC Inverter Service Manual
41
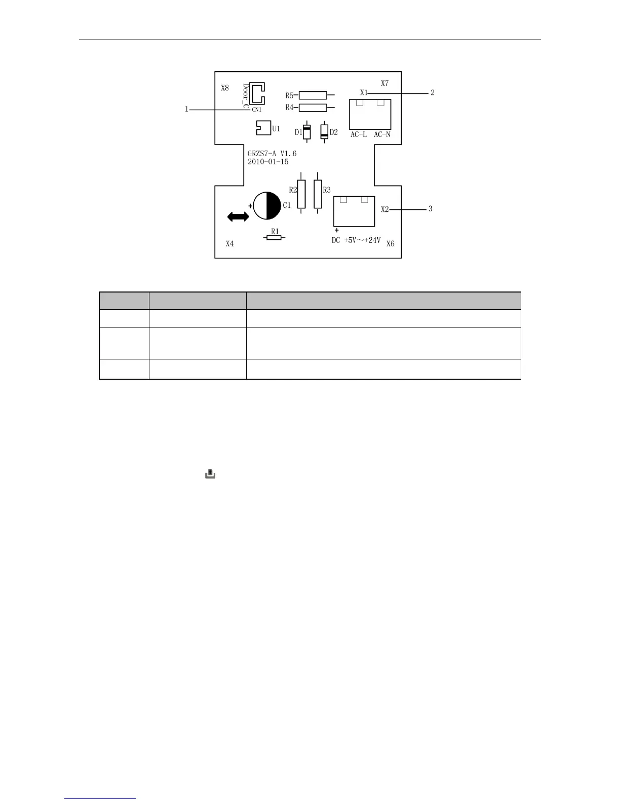
X1 or X2. Definition of interface is as shown in Figure below:
Figure 2-7-6 Illustration of door control port
Table 2-7-3 Door control wiring port
No.
Terminal name
Terminal instruction
1
CN1
CN1 wiring terminal and door control interface of indoor mainboard
2
X1(AC-L, AC-N)
X1(AC-L, AC-N) wiring terminal, connected to door control input
signal, rated voltage 220V.
3
X2
X2 wiring terminal, connected to door control input signal
(2) Function instructions:
In order to achieve this function, set it through wired controller and refer to the following operation
method. It is defaulted that this function is not activated; if this function is set and door control
accessories are connected, the unit will control the ON/OFF of unit according to the card state detected
by door control detection board. When the card is not connected, the unit will turn to standby state. If the
unit is with wired controller, icon will be displayed on the wired controller.
If the unit is without wired controller, there will be no display. The unit will control the ON/OFF of unit
according to the detected information
.
(3) Setting method:
Under off state of the unit, press Function and Timer buttons at the same time for 5s to go to the
debugging menu. Press Mode button to adjust to “08” in temperature displaying zone. Timer zone
displays setting state and press ▲ or ▼ button to adjust. There are 2 selections:
1) Without door control function (LCD displays 00)
2) With door control function (LCD displays 01)
Choose the second selection and then press Enter/Cancel button to save and exit setting. Now,
door control function is activated. The unit will memorize this setting status. The setting value will be
memorized after power failure. The detailed setting is as shown in the Figure below:

Table of Contents

Related product manuals