EasyManua.ls Logo

Gree JKFD5QSR/Na-E - Page 110

Gree JKFD5QSR/Na-E
142 pages
Print Icon
To Next Page IconTo Next Page
To Next Page IconTo Next Page
To Previous Page IconTo Previous Page
To Previous Page IconTo Previous Page
Loading...
GREE Air-ccoled Closed Control Unit Service Manual
107
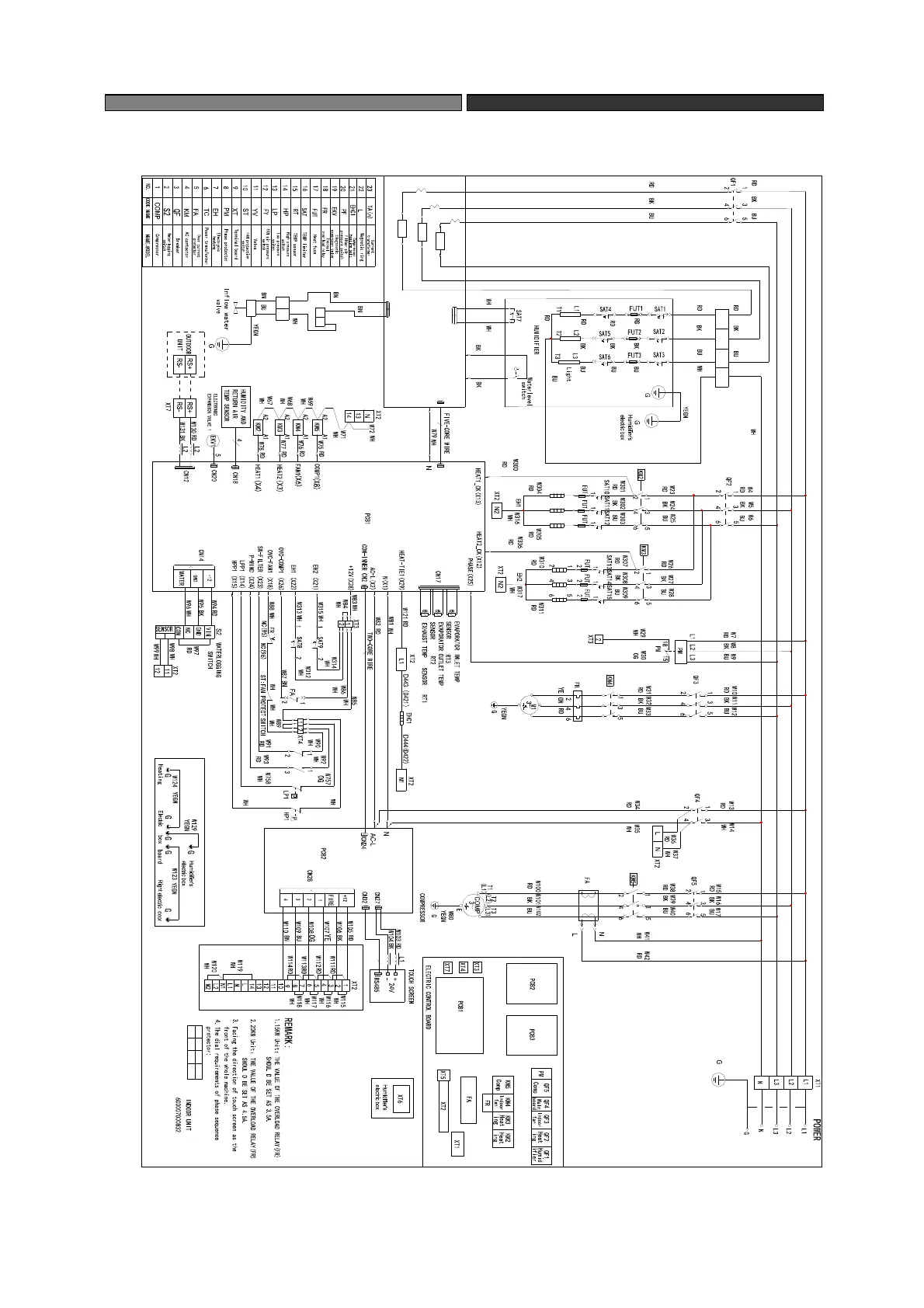
4.2.3 Indoor Unit JKFD15XXX(I)JKFD20XXX(I)
W58
W128
W46
W48
W49
W52
W54
W55
W56
W51
W3
W2
W1
SWP-2
L
N
TA1
K1
IN
OUT
K2
IN
OUT
K3
1
2
3
4
ON
ON ON
OFF
XT5
W64
YV1
W65
V-Awin
L
N
XT2
W66
W61
W60
W45
W44
W43
W22
W21
PCB3
2
IN
OUT
W47
W53
W50
2
2
64
2
5
31
2
XT6
L1
L2
L3
N
W125
W126
W127
W57
TA2
TA3
FY
PF
LMT1
SWP-1
JSQ
CN64
N
W20
COM-AW
FAN

Table of Contents

Related product manuals