EasyManua.ls Logo

Gree JKFD5QSR/Na-E - Page 113

Gree JKFD5QSR/Na-E
142 pages
Print Icon
To Next Page IconTo Next Page
To Next Page IconTo Next Page
To Previous Page IconTo Previous Page
To Previous Page IconTo Previous Page
Loading...
GREE Air-ccoled Closed Control Unit Service Manual
110
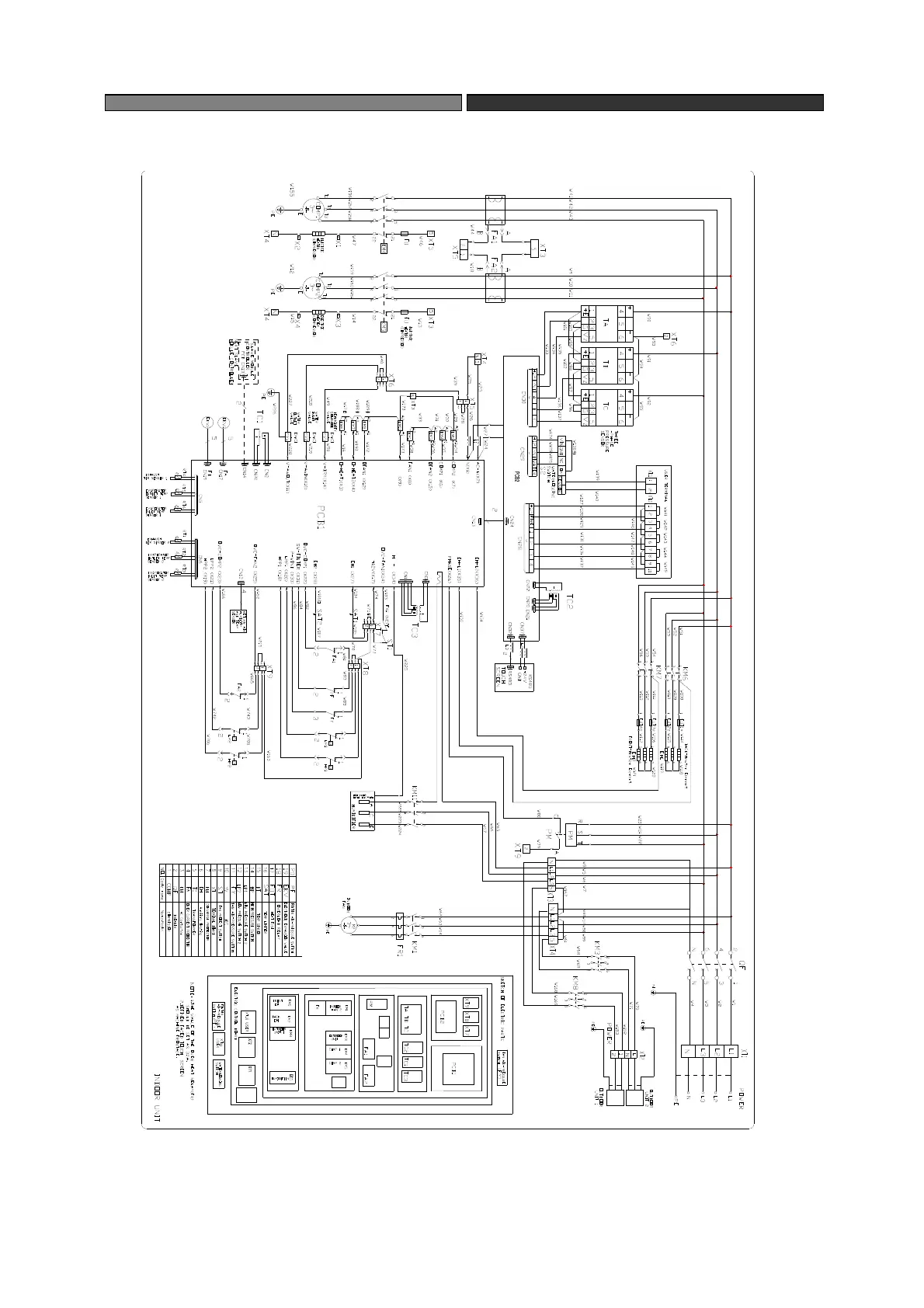
4.2.6 Indoor Unit JKFD40XXX(I)
QF
XT6
XT5
N
W19
L1
N
AC-L
W45
XT3
XT4
W122
W123
V-Adwet
igh wp

Table of Contents

Related product manuals