EasyManua.ls Logo

Grindmaster Cecilware FE75N Series - Page 17

Grindmaster Cecilware FE75N Series
30 pages
Print Icon
To Next Page IconTo Next Page
To Next Page IconTo Next Page
To Previous Page IconTo Previous Page
To Previous Page IconTo Previous Page
Loading...
Coffee Urns Cecilware
®
17
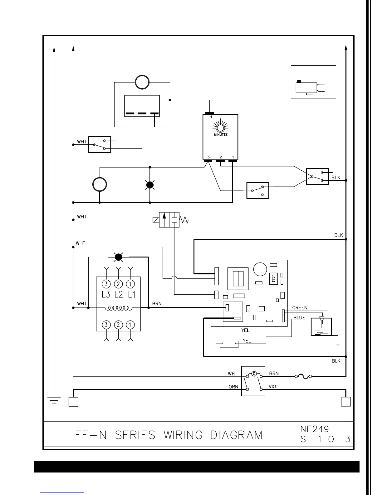
Wiring Diagram (continued)
RED
L1
L2
DELAY
TIMER
BLEND
BREW
PUMP
BREW
LIGHT
STOP
WATER
INLET
VALVE
AIR AGITATOR PUMP
CONTACTOR
POWER SWITCH
FUSE
L2
L1
(N FOR 120V)
SINGLE
TIMER
GND
GND
Blue
Blue
Yel
Yel
Yel
Yel
Red
Red
WHT
Wht
Yel
Gray
BREW
SWITCH
FE-N SERIES W/ SINGLE TIMER
NC
NO
C
NC
NO
C
NC
NO
C
C
NC
NO
SWITCH
CONFIGURATION
THERMISTOR
P1
P5
P3
P2
TRANSFORMER
RELAY
FILL
L
L
L
N
N
YEL
WATER
LEVEL
PROBES
WATER
GND
TANK CONTROL BOARD