EasyManua.ls Logo

GRS GraverMax G8 - Wiring, Hose Diagrams

GRS GraverMax G8
28 pages
Print Icon
To Next Page IconTo Next Page
To Next Page IconTo Next Page
To Previous Page IconTo Previous Page
To Previous Page IconTo Previous Page
Loading...
22
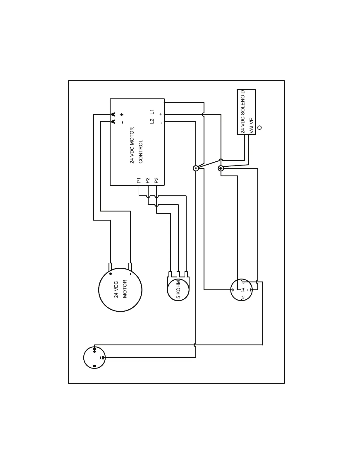
GraverMax™ G8 Wiring Diagram
004-811
WIRE, B-R-22AWG P-JCK F-SPD-R
(VIEWED FROM THE BACK)
004-812
WIRE, R-L-B-22AWG POT F-SPADE
(VIEWED FROM THE BACK)
022-961
MOTOR, BRUSHED 24VDC 4KRPM
022-970
SWITCH, ILLUMINATED POWER
(VIEWED FROM THE BACK)
004-814
004-814
004-822 004-809
004-816
004-817
004-818
022-962
CONTROLLER, 24VDC PWM MTR
BLACK
YELLOW
RED
004-815
A