EasyManua.ls Logo

Grundig Apollo 2000 - Page 13

Grundig Apollo 2000
Print Icon
To Next Page IconTo Next Page
To Next Page IconTo Next Page
To Previous Page IconTo Previous Page
To Previous Page IconTo Previous Page
Loading...
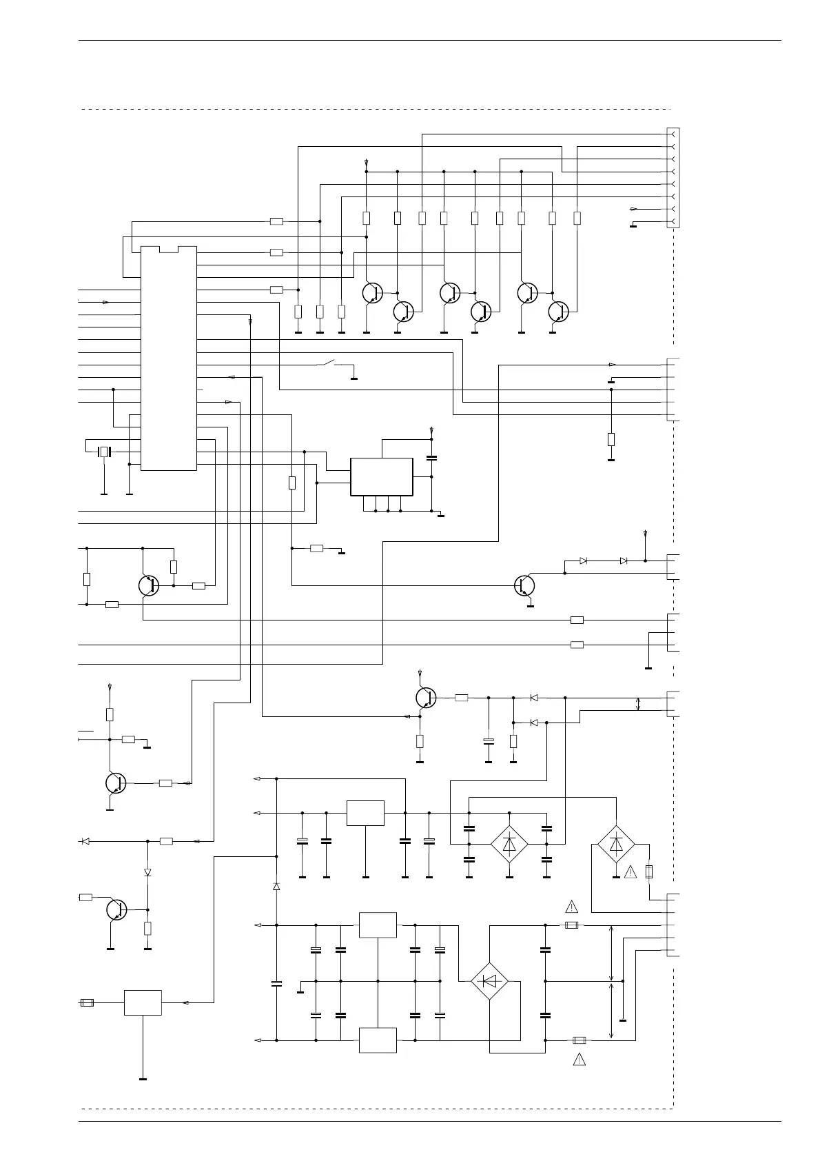
Apollo 2000 Schaltpläne und Druckplattenabbildungen / Circuit Diagrams and Layout of PCBs
GRUNDIG Service 2 - 9
LL4148
D433
L
L4148
D432
1k
R432
0.1U/50V
C315
22k
R434
22k
R433
T315mA-L
SI302
T315mA-L
SI303
BC848B
T432
P6C
BC848B
T391
3.6864MHz
Q391
390R
R391
47k
R398
10k
R397
47k
R396
10k
R395
P3C
10k
R394
BC858
T392
P4C
47k
R393
22n
C295
22n
C296
22n
C297
22n
C294
100n
C291
100n/63V
C292
3
2
1
GND
OUT IN
L7805CD2T
IC206
+
2200U/25V
C293
D302
1N4001
P7C
18k
R302
47k
R303
12k
R304
+
1U/50V
C303
X24C04
VCC
TEST
VSSA2A1A0
SCL
SDA
1234
5
6
7
8
IC391
47n
C391
390R
R392
0.1U/63V
C317
1
2
3
4
5
6
7
8
9
10
11
12
13
14
15
16
17
18
36
35
34
33
32
31
30
29
28
27
26
25
24
23
22
21
20
19
P11/TxD
P10/RxD
P07
P06
P05
P04
P03
P02
P01
P00
P37/INT0
P36/LED6/INT1
P35/LED5
P34/LED4
P33/LED3
P32/LED2
P31/LED1
P30/LED0Vss
Xout
Xin
Vcc
CNVss
/RESET
VREF
P27/AN7
P26/AN6
P25/AN5
P24/AN4
P23/AN3
P22/AN2
P21/AN1
P20/AN0
P20/CNTR0
P13/SDATA
P12/SCLK
M37531M4-XXXFP
IC392
+
470U/25V
C314
0.1U/63V
C312
+
470U/25V
C313
0.1U/50V
C316
BC848B
T302
47k
R490
3
1
2
OUT
GND
IN
L7912CD2T
IC315
3
2
1
GND
OUT IN
L78M12CDT
IC316
P5C
47k
R489
47k
R488
220k
R487
220k
R486
220k
R485
10k
R493
10k
R492
10k
R491
BC848B
T496
BC848B
T495
BC848B
T494
BC848B
T493
~
~
+
-
DF02S
D291
~
~
+
-
DF02S
D300
3
2
1
GND
OUT IN
L4892CV
IC421
D303
1N4001
BC848B
T492
BC848B
T491
T315mA-L
SI301
10k
R484
10k
R483
150k
R472
6.8k
R482
6.8k
R481
6.8k
R471
0.1U/63V
C311
2
00mA-L
SI421
+
10U/16V
C310
LL4148
D331
LL4148
D332
P8C~
~
+
-
D311
DF02S
0.1U/63V
C318
+
10U/16V
C309
1N4001
D310
+
10U/16V
C922
+
22U/35V
C3013
SW392
INITIAL-SET
RX-ON
RX-ON
-
DET
RX-MUTE
+12V
+12V
+12V
PD
PD
CTS
TXD
-E
+5V
+5V
+5V
+5V
+5V
RTS
M
ITER
TRX-ON
RX-SCL
+E
+RX
SDA
A
T-PROT
STBY-
POWERAMP
RXD
RX-SDA
SCL
WAKEUP
23.03.00
CONTROLLER
TO AUDIO RF MODULE
RELAIS DRIVE
TO DATA RF MODULE
FROM
POWER
TRANSFORMER
FROM
STANDBY
TRANSFORMER
3.3k
R461
4.7k
R462
BC848B
T461
47k
R463
+D
STBY-POWERAMP
Y
-AMP
5
4
3
2
1
3
2
1
2
1
2
1
1
2
3
4
5
6
7
8
5
4
3
2
1
TO P10
MAINS SWITCH
BOARD
TO P01
MAINS CON
BOARD
47k
R283
9V2
+12V
-12V
14V~
14V~
14V~
+17V
-17V
Alle Spannungsangaben sind Näherungswerte
All voltage levels are approximates
Seite / page
2 - 10
Seite / page
2 - 10
Seite / page
2 - 10
Seite / page
2 - 10