EasyManua.ls Logo

Grundig Apollo 2000 - Control Board; Mains con Board; Mains Switch Board

Grundig Apollo 2000
Print Icon
To Next Page IconTo Next Page
To Next Page IconTo Next Page
To Previous Page IconTo Previous Page
To Previous Page IconTo Previous Page
Loading...
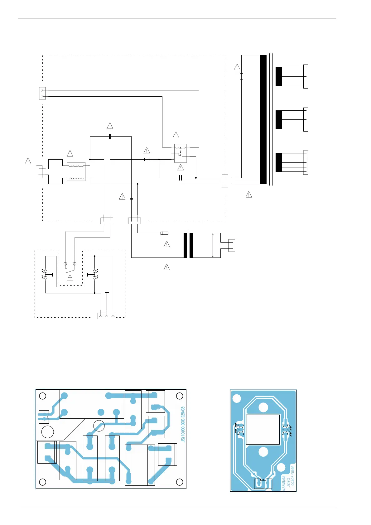
Schaltpläne und Druckplattenabbildungen / Circuit Diagrams and Layout of PCBs Apollo 2000
2 - 10 GRUNDIG Service
P02
1
2
54
32 1
G2R-1/12VDC
R01
T315mA-L
SI02
T2.5A-L
SI01
K
3.3n/20%/400V
C02
2
1
P03
F01
1
23
4
K
3.3n/20%/400V
C01
SWITCH
1
2
P01
1
2
NETZ
1
2
BL
STR1
BN
+12V
STR2
STDBY
PTR2
SW2
SW1
29.09.99
102
ϒC
110ϒC
TO P7C CONTROL BOARD
Th.sw.
Th.sw.
TO POWER AMP
BOARD #1
TO POWER AMP
BOARD #2
TO P8C
CONTROL BOARD
POWER TRANSFORMER
TRANSFORMER
STANDBY
50-60Hz
230V AC
MAINS
NETZANSCHLUSSPLATTE
MAINS CON BOARD
PTR1
P10
L-115WEGWLED11
L-115WEGWLED10
31
MAINS SWITCH BOARD
NETZSCHALTERPLATTE
12.10.99
TO P3C
CONTROL BOARD
MAINS SWITCH
gr
gr
bn
wh
bn
bl
sw
bl
gb
rt
gb
TO P4C
CONTROL BOARD
22V~
22V~
22V~
22V~
14V~
14V~
11V~
Alle Spannungsangaben sind Näherungswerte
All voltage levels are approximates
21
P01
R01
SI02
C02
SI01
C01
F01
SWITCH
P03
P02
NETZ
59452-300.00(01)4B
T2.5A-L
T315mA-L
II
I
13
P10
LED11 LED10
59452-304.00(02)4B
MAINSSW
Netzteil / Power Supply
Netzanschluß-Platte / Mains Con Board Netzschalter-Platte
Mains Switch Board
Seite / page
2 - 9
Seite / page
2 - 9
Seite / page
2 - 9
Seite / page
2 - 9
Seite / page
2 - 6
Seite / page
2 - 6