EasyManua.ls Logo

GSW WATER HEATING - Potable Water and Chemical Use; Circulator Pump Requirements; Plumbing Connections; Sweat Connection Warning

GSW WATER HEATING
7 pages
Print Icon
To Next Page IconTo Next Page
To Next Page IconTo Next Page
To Previous Page IconTo Previous Page
To Previous Page IconTo Previous Page
Loading...
- 3 -
tenance and service must be provided. Water lines and the
storage tank should be protected from freezing tempera-
tures. Do not install the storage tank in outdoor unprotected
areas. It is desirable to have a floor drain nearby to permit
easy draining if necessary.
Circulator Pump
A circulator pump is not supplied. Use only a bronze body
model rated for 110/120 volts, 60Hz. Install in accordance
with the pump manufacturers instructions using standard
plumbing practices.
Plumbing Connections
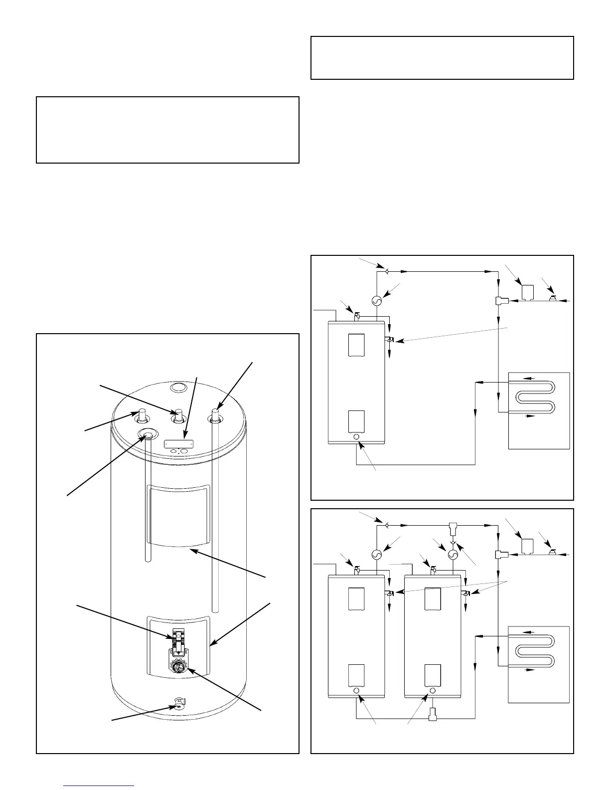
The main parts and features of your storage booster tank
are identified in Figure 1. Install plumbing according to
Figure 2 for single storage tank and according to Figure 3
for multiple storage tank systems.
1. Ensure the storage tank is level before starting installa-
tion.
2. Install circulation loop as shown using 19mm (¾ in.)
copper pipe.
3. Install the cold water supply piping into a tee between
the circulator discharge and the boiler coil inlet.
4. Connect the boiler supply line to the combination return
and drain valve.
5. Connect hot water supply to top tank fitting.
6. Install 19mm (¾ in.), 150 psi Temperature and Pressure
Relief Valve into the tank as shown.
7. A check valve may be installed between the cold water
tee connection and the circulator. This will force the cold
water through the coil first.
NOTE: The check valve can often be noisy and cause
reduced supply pressures. For multiple storage tank sys-
ACCESS
DOORS
SUPPLY (TO BOILER
TANKLESS COIL)
T&P VALVE (SOME
MODELS WILL HAVE
A SIDE MOUNT FOR
THIS VALVE)
HOT
WATER
OUTLET
ANODE
THERMOSTAT
CONTROL
THERMOSTAT
RETAINER
COMBINATION
RETURN &
DRAIN VALVE
JUNCTION BOX
Figure 2: Single Storage Booster Plumbing Diagram
COMBINATION RETURN
& DRAIN VALVE
STORAGE
BOOSTER
TANK
TANKLESS
COIL BOILER
HOT
T&P VALVE
(FOR SOME
MODELS)
HOT
T&P VALVE
CIRCULATOR
PUMP
CHECK VALVE
EXPANSION TANK (OPTIONAL)
PRESSURE
REGULATOR
(OPTIONAL)
COLD
Figure 3: Multiple Storage Booster Plumbing Diagram
COMBINATION RETURN
& DRAIN VALVE
STORAGE
BOOSTER
TANK
STORAGE
BOOSTER
TANK
TANKLESS
COIL BOILER
HOT
T&P VALVE
(FOR SOME
MODELS)
HOT
HOT
T&P VALVE
CIRCULATOR
PUMP
CHECK VALVE
EXPANSION TANK (OPTIONAL)
PRESSURE
REGULATOR
(OPTIONAL)
COLD
CHECK
VALVE
T&P VALVE
IMPORTANT
Do not apply heat directly to tank fittings when making
sweat connections. They contain non-metallic material.
Figure 1: Main Parts and Features
WARNING
The water heating source piping and components con-
nected to the tank must be suitable for potable water use.
TOXIC chemicals such as used for boiler treatment must
not be introduced into the tank.

Related product manuals