EasyManua.ls Logo

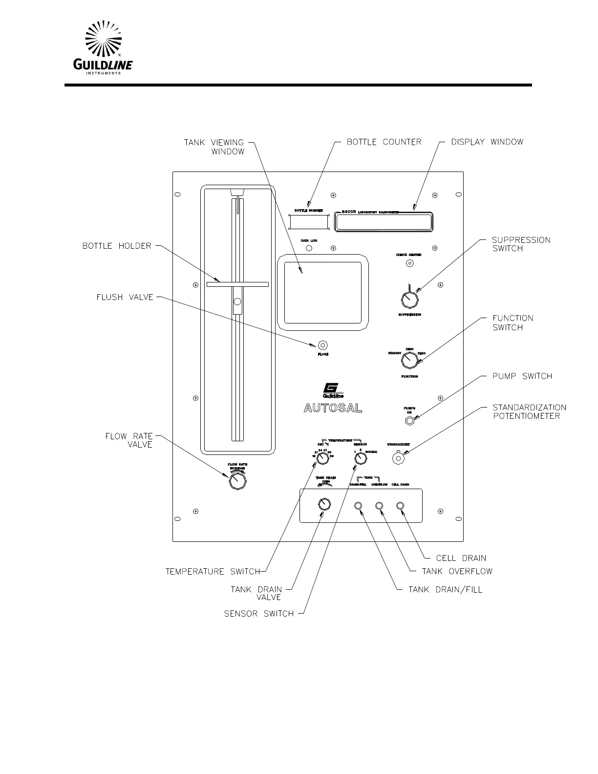
Guildline Autosal 8400B - Figure 4.1: Front Panel

Default Icon
71 pages
Print Icon
To Next Page IconTo Next Page
To Next Page IconTo Next Page
To Previous Page IconTo Previous Page
To Previous Page IconTo Previous Page
Loading...
Section 4
TM8400B-L-00
1 November 2004
4-3
Figure 4.1: Front Panel

Table of Contents