EasyManua.ls Logo

Haas VF-O/E - Page 501

Haas VF-O/E
564 pages
Print Icon
To Next Page IconTo Next Page
To Next Page IconTo Next Page
To Previous Page IconTo Previous Page
To Previous Page IconTo Previous Page
Loading...
Assembly Drawings
June 1999
501
96-8000
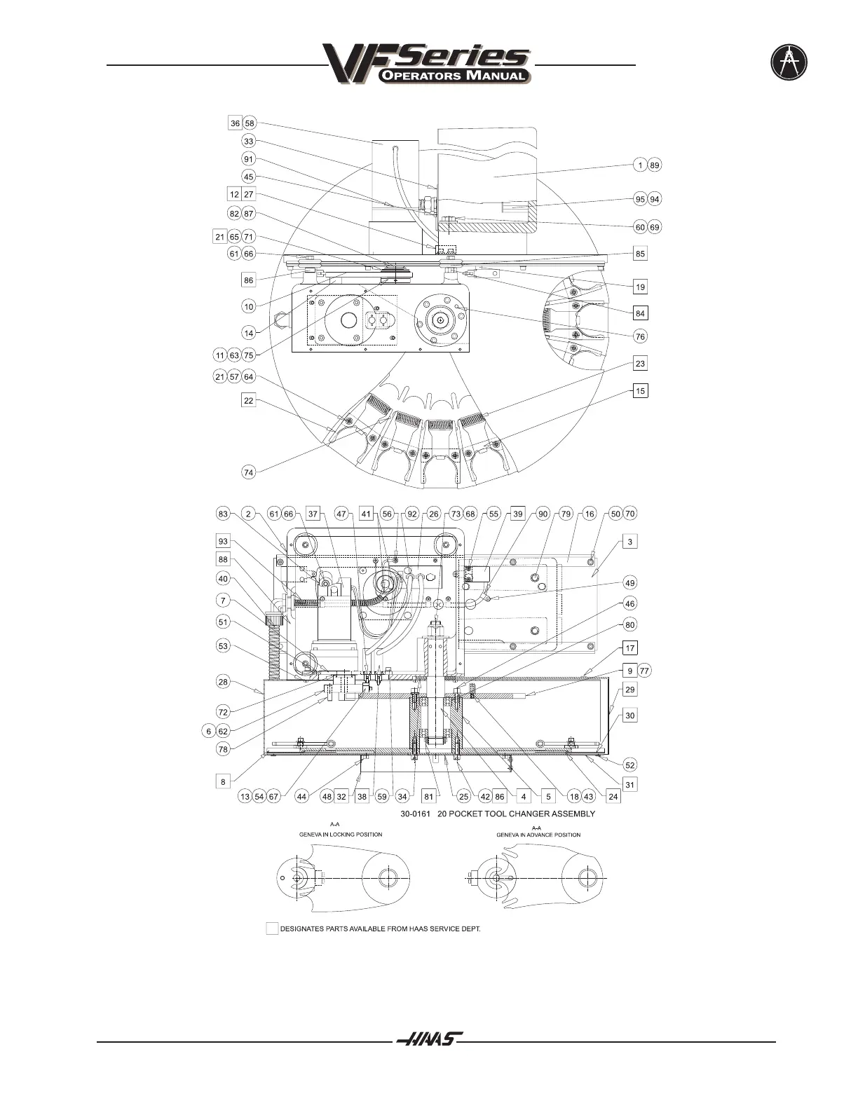
20 Pocket Tool Changer VF- O/1/2

Table of Contents

Related product manuals