EasyManua.ls Logo

Haier AFD626TGB/F

Haier AFD626TGB/F
32 pages
To Next Page IconTo Next Page
To Next Page IconTo Next Page
To Previous Page IconTo Previous Page
To Previous Page IconTo Previous Page
Loading...
SERVICE MANUAL
Model:AFD626TGW/R/B
26
Issue 2010-10-25
Rev. Ref1010S025V0
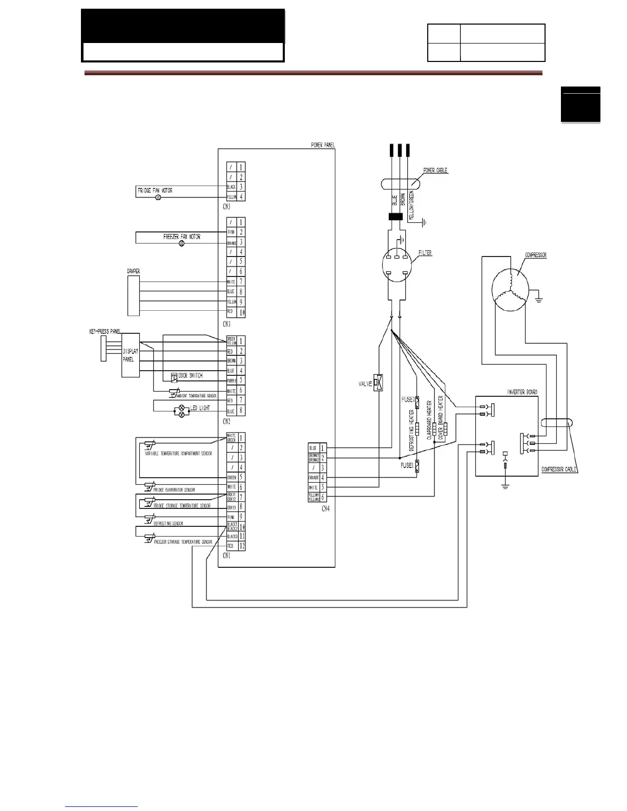
Chapter 7 Circuit diagram
7-1. Main control PCB diagram

Other manuals for Haier AFD626TGB/F

Related product manuals