EasyManua.ls Logo

Haier AFD626TGB/F

Haier AFD626TGB/F
32 pages
To Next Page IconTo Next Page
To Next Page IconTo Next Page
To Previous Page IconTo Previous Page
To Previous Page IconTo Previous Page
Loading...
SERVICE MANUAL
Model:AFD626TGW/R/B
23
Issue 2010-10-25
Rev. Ref1010S025V0
Chapter 6 System flow principle
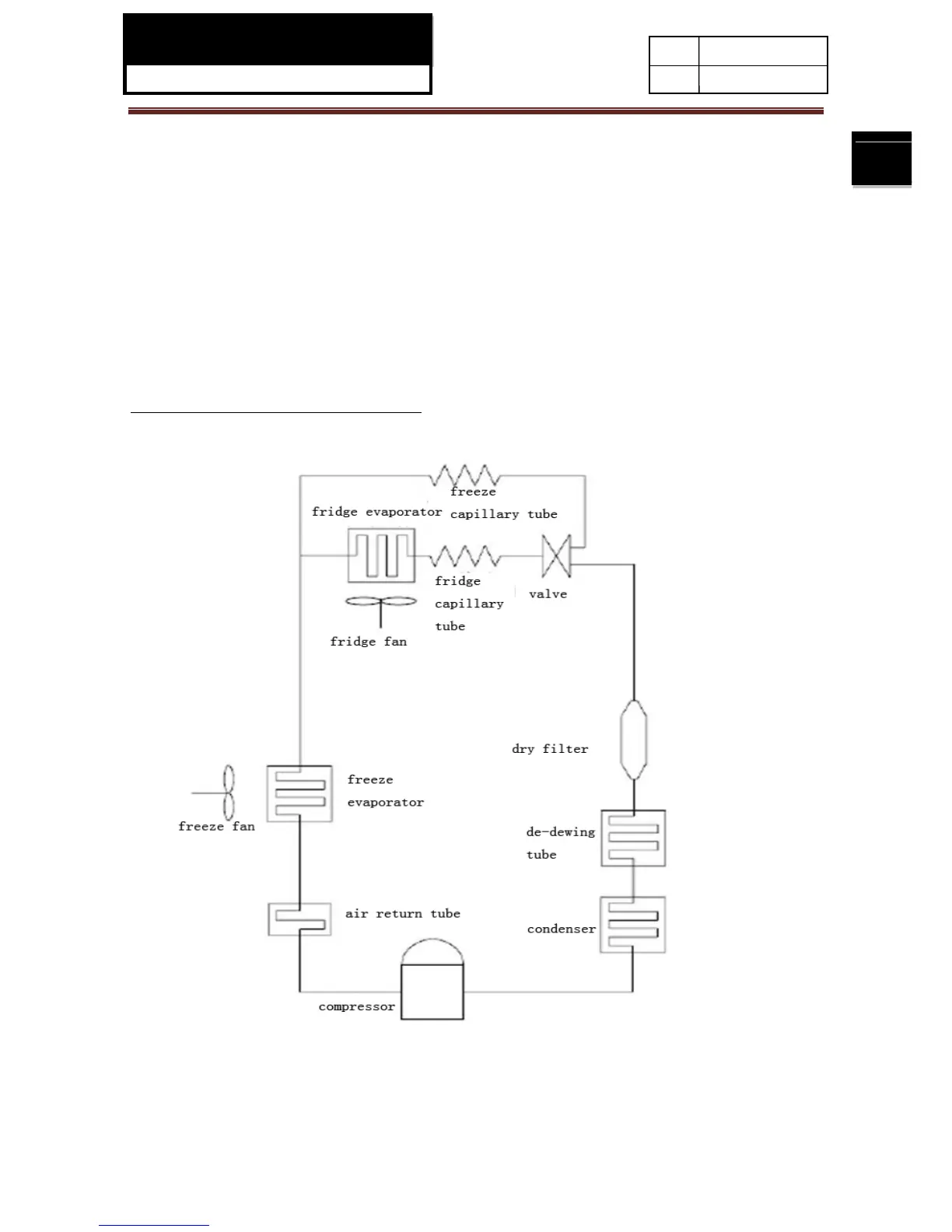
6-1. Refrigeration flow chart
Principle diagram and description of the refrigeration cycle
The refrigerant is compressed in the compressor, from there, it enters the condenser, the de-dewing
tube, and the dry filter, and goes into the valve, from there,it enters fridge and freeze evaporator after
being throttled and decompressed in the capillary tube. Finally, it returns to the compressor through
the air return tube.
Principle diagram of the refrigeration cycle:

Other manuals for Haier AFD626TGB/F

Related product manuals