EasyManua.ls Logo

Hakko Electronics 852 - Wiring Diagram

Hakko Electronics 852
23 pages
Print Icon
To Next Page IconTo Next Page
To Next Page IconTo Next Page
To Previous Page IconTo Previous Page
To Previous Page IconTo Previous Page
Loading...
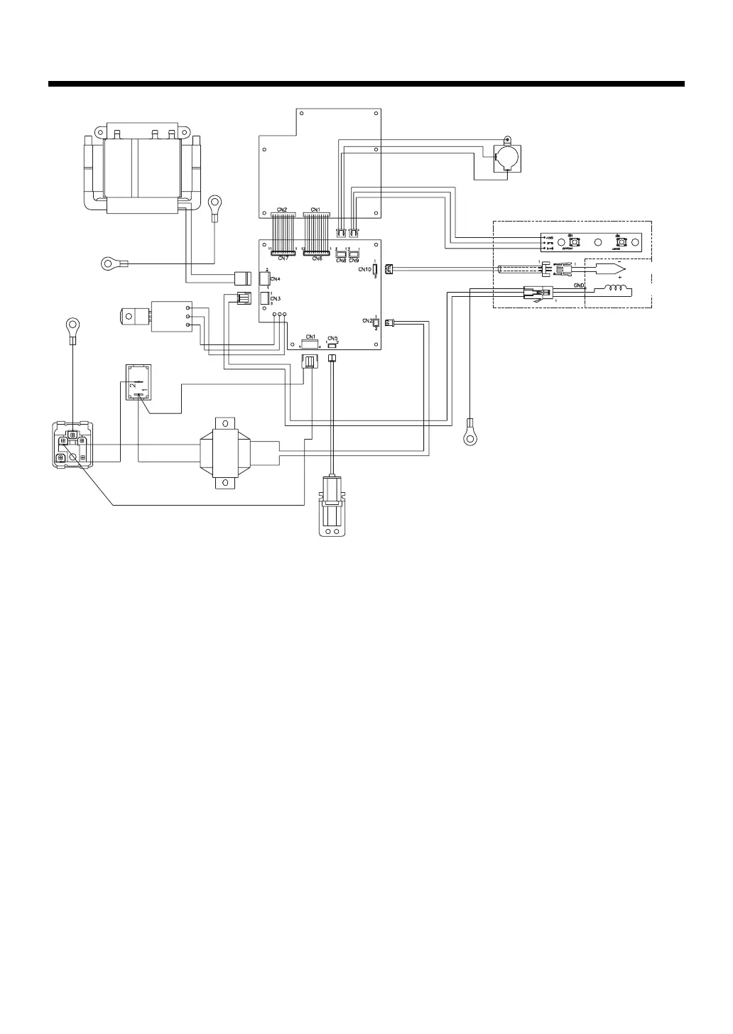
WIRING DIAGRAM
Hot air pump
P.W.B./Display
Jack for
foot-switch
Handpiece
Terminal board
Heater element
Heater
CA sensor
P.W.B./Heat control
Vacuum pump
Transformer
AC15V
Power
receptacle
Power switch
P.W.B./Triac
22

Related product manuals