EasyManua.ls Logo

Hakko Electronics FR-400 - Wiring Diagram

Hakko Electronics FR-400
37 pages
Print Icon
To Next Page IconTo Next Page
To Next Page IconTo Next Page
To Previous Page IconTo Previous Page
To Previous Page IconTo Previous Page
Loading...
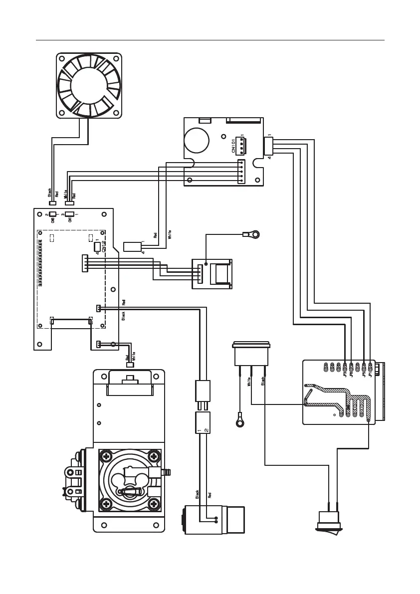
12. WIRING DIAGRAM
35
Power
switch
Inlet
NOZZLE STYLE
Unit: mm (inch)
N60-03N60-02N60-01
ø3.2
ø1.3
ø1
ø2.7
(ø0.11)
(ø0.13)
ø0.8
ø2.5
(ø0.10)
(ø0.031)
(ø0.04)
(ø0.05)
N60-04
ø3.5
ø1.6
(ø0.14)
(ø0.06)
N60-06N60-05
ø4.9
ø2
ø2.6
ø6.6
(ø0.19)
(ø0.26)
(ø0.08)
(ø0.10)
N60-07
ø3
ø7
(ø0.28)
(ø0.12)
N60-09
6.2
8.7
1.5
4
(0.06)
(0.16)
(0.24)
(0.34)
N60-08
4.2
6.7
1.5
(0.06)
4
(0.16)
(0.17)
(0.26)
© 2014-2019 HAKKO Corporation. All Rights Reserved.
OVERSEAS AFFILIATES
U.S.A.: AMERICAN HAKKO PRODUCTS, INC.
TEL: (661) 294-0090 FAX: (661) 294-0096
Toll Free (800) 88-HAKKO
4 2 5 5 6
https:// www.HakkoUSA.com E-mail: Support@HakkoUSA.com
SINGAPORE: HAKKO PRODUCTS PTE., LTD.
TEL: 6748-2277 FAX: 6744-0033
https:// www.hakko.com.sg E-mail: sales@hakko.com.sg
HONG KONG: HAKKO DEVELOPMENT CO., LTD.
TEL: 2811-5588 FAX: 2590-0217
https:// www.hakko.com.cn E-mail: info@hakko.com.hk
Please access the web address below for other distributors.
https://www.hakko.com
HEAD OFFICE
4-5, Shiokusa 2-chome, Naniwa-ku, Osaka 556-0024 JAPAN
TEL: +81-6-6561-3225 FAX: +81-6-6561-8466
https:// www.hakko.com E-mail: sales@hakko.com

Related product manuals