EasyManua.ls Logo

Hanbell RC2-100A - Page 26

Hanbell RC2-100A
84 pages
Print Icon
To Next Page IconTo Next Page
To Next Page IconTo Next Page
To Previous Page IconTo Previous Page
To Previous Page IconTo Previous Page
Loading...
Technical Manual VERSION 2.0 -10-18-2018
26

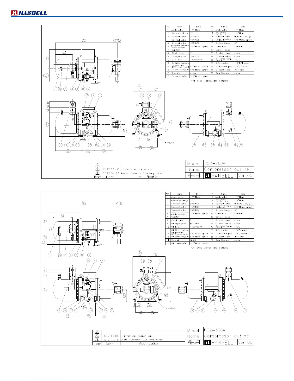
SI: mm Imperial: (in)
UNIT
UNIT
SI: mm Imperial: (in)

Related product manuals