EasyManua.ls Logo

Handicare SIMPLICITY - Page 33

Handicare SIMPLICITY
232 pages
Print Icon
To Next Page IconTo Next Page
To Next Page IconTo Next Page
To Previous Page IconTo Previous Page
To Previous Page IconTo Previous Page
Loading...
HANDICARE SIMPLICITY
INSTALLATION MANUAL 33
ENGLISH
CHASSIS TOP SAFETY EDGE
FRONT CHASSIS SAFETY EDGES
CHASSIS BOTTOM SAFETY EDGE
BOTTOM LIMIT
TOP LIMIT
SEAT TO POWERPACK
CONNECTOR
OSG
TRACK
OVERRUN
F
F
FM
KEY
M
F
M
F
M
SEAT TO POWERPACK
CONNECTOR
BATTERY
PACK
DISCONNECT
BATTERY
ISOLATION
MOTOR
FOOTPLATE
HINGE/PLATFORM
COMMS DATA
CONTACT
POWER SWIVEL
CONNECTION
(POWERED OPTIONS ONLY)
ALL SAFETY CIRCUITS SHOULD
BE NORMALLY CLOSED
FUNCTION OF DIP SWITCHES
ON SMT PCB
MULTI-PIN CONNECTOR
PUSH-ON CONNECTOR
BRAKE
33V CHARGE POSITIVE INPUT VOLTAGE
CHARGE NEGATIVE THROUGH CHASSIS
TOP
EDGE
UNDERPAN
BOTT
EDGE
FOOTREST
BOTT EDGE
UNDERPAN
FOOTREST
TOP EDGE
SW2
SW3
SW4
SW5
SW6
SW7
SW8
SW9
SW1
SW10
SW11
SW12
9 WAY CONNECTOR
8 WAY CONNECTOR
5A
DIAGNOSTIC
DISPLAY
SHIELDED CABLE
3 WAY
CONN
RED
CHRG
BK
BK2
BK1
BK
BATT
BATT
BATT
BATT
BATT
BATT
BATT
MOTOR
MOTOR
WHITE
BLACK
M+
M-
BLACK
BLACK
RED
+
+
+
-
+
+
-
-
-
-
M2
AUTO FOOTPLATE
HINGE DATA
HINGE FUSED
AV OUTPUT +
AV OUTPUT -
CON-3
CON-3
CON-3
CON-3
CON-3
CON-3
CON-3
CON-2
CON-2
CON-2
CON-1
CON-1
CON-1
M1
DIAG
IR 2
IR 1
GREENDOWN DIRECTION
BLUE
TOGGLE COMMON
ORANGE
UP DIRECTION
BROWN
CHASSIS TOP SAFE-EDGE
GREY
SAFE-EDGE COMMON
VIOLET
VIOLET
VIOLET
VIOLET
VIOLET
4
5
6
3
2
1
3
2
1
2
1
2
1
2
1
2
1
2
1
2
1
4
5
6
2
1
2
3
1
1
2
3
2
1
4
5
6
4
5
6
3
2
1
VIOLETVIOLET
GREY
BROWN LOOP
BROWN
LOOP
BROWN
BROWN
CABLE
SPLICE
SEE L/H
CIRCUIT
BROWN
BROWN
BROWN
RED
RED
BROWN
CABLE
SPLICE
SEE L/H
CIRCUIT
VIOLET
VIOLET
BROWN
BROWN
VIOLET
ORANGE
ORANGE
CHASSIS BOTT SAFE-EDGE
BOTT-END LIMIT
BOTT-END LIMIT
TOP-END LIMIT
TOP-END LIMIT
FINAL LIMIT
SPADE
SPADE
WHITE
WHITE
BULLET
YELL TAG
BLUE
TAG
RED
TAG
BLUE
BLACK
BLUE
TAG
RED
TAG
YELL TAG
11
11
1
1
1
2
3
4
3
2
1
1
2
1
2
1
2
1
2
1
1
2
1
2
1
2
BLACK
BLACK
BLUE
BLUE
WHITE
WHITE
9
8
7
6
5
4
3
2
1
8
7
6
5
4
3
2
1
1
2
1
2
2
1
YELLOW
GREY
RING TERMINAL
CONNECTOR
BULLET
SW13
20A
3
2
1
4
5
6
3214
ON
ON
DIP 1
SLIDE ENABLE
PING ENABLE
PLATFORM ENABLE
SLIDE DISABLE
DEFAULT OFF
PING DISABLE
PLATFORM DISABLE
FAST RAMP
UNUSED
DEFAULT OFF
DEFAULT OFF
SLOW RAMP
UNUSED
DIP 2
3214
3
2
1
11
4
5
6
E-STOP & KEY DETECT
YEL/BLK STRIPE
24VDC
RED
BLACK
E-STOP DETECT
BLK/WHT STRIPE SWITCHED 0V
IR SENSOR 1
IR SENSOR 2
CHARGE
1
2
3
1
2
3
BROWN
BROWN
GREY
1A
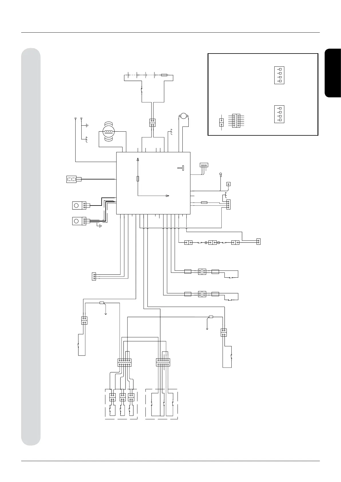
Appendix 4
Simplicity block schematic – right hand stairlift – MS125

Related product manuals