EasyManua.ls Logo

HANLI SCHYTJ-2000 - Overview

Default Icon
28 pages
Print Icon
To Next Page IconTo Next Page
To Next Page IconTo Next Page
To Previous Page IconTo Previous Page
To Previous Page IconTo Previous Page
Loading...
User's Manual of Fiber Laser Chiller
8
1 overview
This product is a cooling device designed and manufactured for laser cutting, laser welding,
laser engraving, laser marking, laser printing, etc. Coolant, to cool down the fiber laser, the other is
normal temperature coolant,Cool down the fiber laser cutting head.
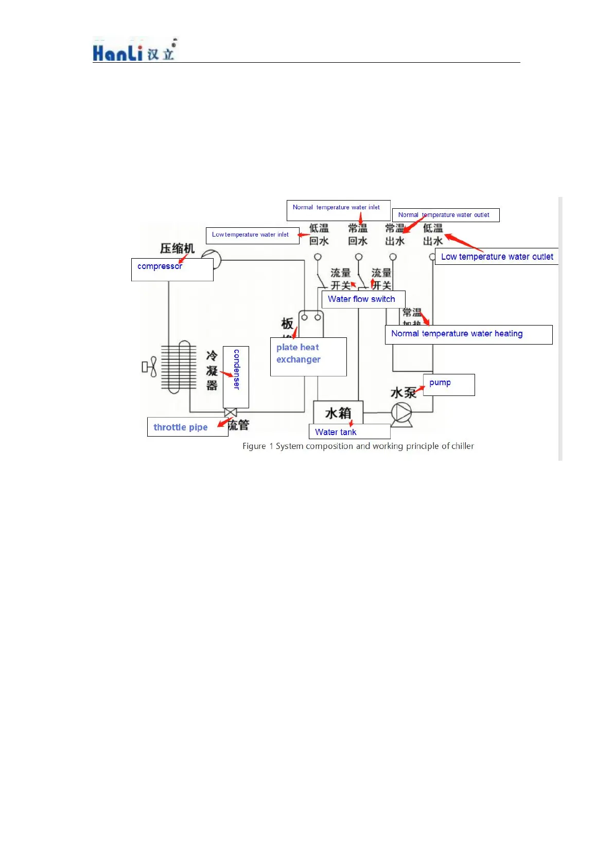
The chiller is composed of a compressor, a condenser, a throttling device, an evaporator, a
water tank and a water pump, etc.
Its working principle is that the compressor compresses the superheated steam sucked from
the evaporator into a high-temperature and high-pressure gas, and discharges it to the condenser to
condense and release heat into a high-pressure liquid. The low-temperature and low-pressure super
cooled liquid is vaporized by the evaporator to absorb heat into superheated steam, and then
returns to the compressor to enter the next cycle to realize the refrigeration function. The heat
absorbed by the vaporization of the evaporator comes from the cooling medium, and the
temperature of the cooling medium will decrease. The low-temperature coolant is divided into two
by the water pump and pressed out. One path of low-temperature coolant cools down the laser, and
the other path is heated by a heating device to become a room-temperature coolant for the laser.
The cutting head cools down.