EasyManua.ls Logo

Hanna Instruments HI 8510 Series - Page 10

Hanna Instruments HI 8510 Series
70 pages
Print Icon
To Next Page IconTo Next Page
To Next Page IconTo Next Page
To Previous Page IconTo Previous Page
To Previous Page IconTo Previous Page
Loading...
8
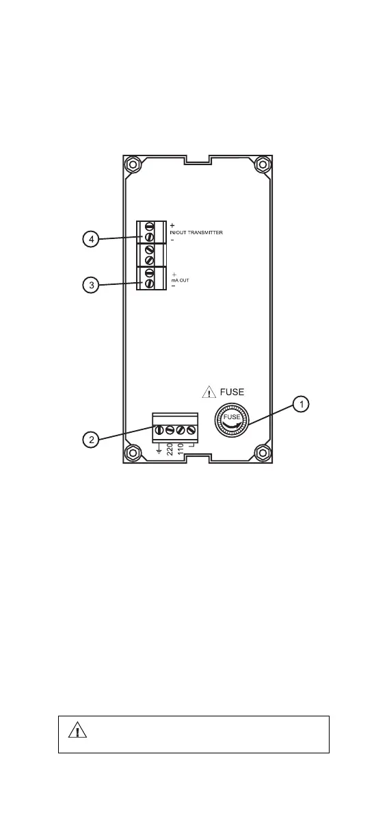
Unplug the instrument from the power
supply before replacing the fuse.
1. Fuse Holder
2. Power supply
3. Recorder output
4. Connections to the transmitter.
REAR PANEL HI 8510T

Related product manuals