EasyManua.ls Logo

Hanna Instruments HI 8510 Series - Page 17

Hanna Instruments HI 8510 Series
70 pages
Print Icon
To Next Page IconTo Next Page
To Next Page IconTo Next Page
To Previous Page IconTo Previous Page
To Previous Page IconTo Previous Page
Loading...
15
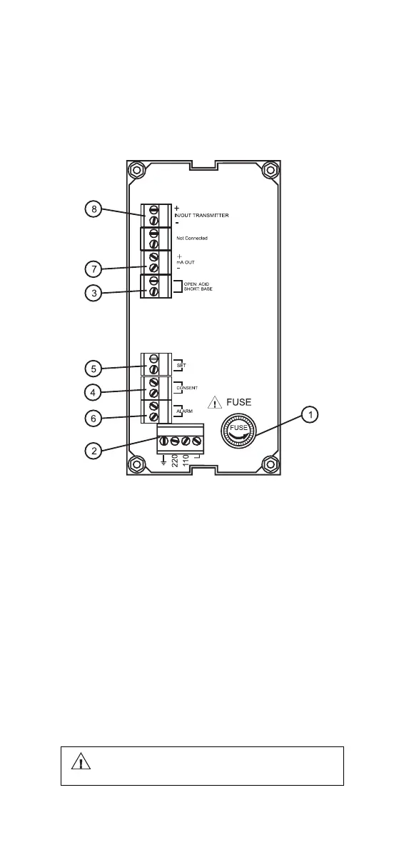
Unplug the instrument from the power
supply before replacing the fuse.
1. Fuse Holder
2. Power supply
3. Acid/Basic dosage selection
4. Reductant or oxidant dosage consent
5. Connections for dosing pump
6. Alarm contacts
7. Recorder output
8. Connections to the transmitter.
REAR PANEL HI 8710T

Related product manuals