EasyManua.ls Logo

Hanna Instruments HI 8510 Series - Page 25

Hanna Instruments HI 8510 Series
70 pages
To Next Page IconTo Next Page
To Next Page IconTo Next Page
To Previous Page IconTo Previous Page
To Previous Page IconTo Previous Page
Loading...
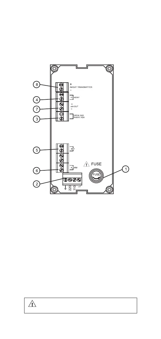
23
Unplug the instrument from the power
supply before replacing the fuse.
1. Fuse Holder
2. Power supply
3. Oxidant/Reductant dosage selection
4. Oxidant or Reductant dosage consent
5. Connections for dosing pump
6. Alarm contacts
7. Recorder output
8. Connections to the transmitter.
REAR PANEL HI 8720T

Related product manuals