EasyManua.ls Logo

Hardi COMMANDER 4500 - Charts; Sprayer hydraulics

Hardi COMMANDER 4500
96 pages
Print Icon
To Next Page IconTo Next Page
To Next Page IconTo Next Page
To Previous Page IconTo Previous Page
To Previous Page IconTo Previous Page
Loading...
8 - Technical specifications
86
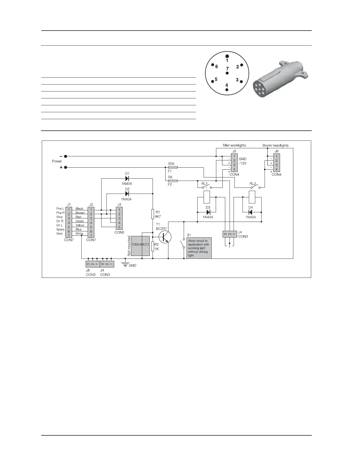
Electrical connections
Rear lights
The wiring is in accordance with ANSI/ASAE S279.11.
Electrical specifications for boom and work light
Position Wire color
1. Ground White
2. Work lamps Black
3. LH flashing & turn indicator Yellow
4. Free Red
5. RH flashing & turn indicator Green
6. Free Brown
7. Free Blue

Table of Contents

Other manuals for Hardi COMMANDER 4500

Related product manuals