EasyManua.ls Logo

Hardi NAVIGATOR PRO - Charts; Boom Hydraulic - y; Boom Hydraulic - Z

Hardi NAVIGATOR PRO
116 pages
Print Icon
To Next Page IconTo Next Page
To Next Page IconTo Next Page
To Previous Page IconTo Previous Page
To Previous Page IconTo Previous Page
Loading...
8 - Technical specifications
110
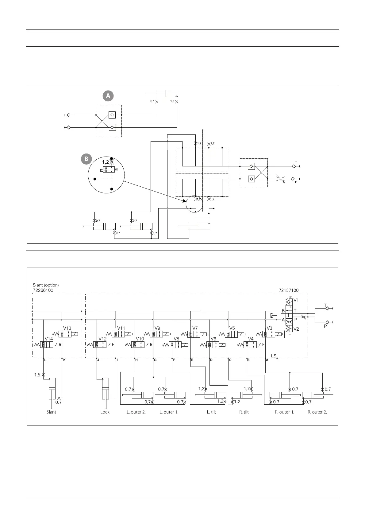
Charts
Boom hydraulic - Y
A. Option for slanting.
B. Option for single side folding.
Boom hydraulic - Z

Table of Contents

Related product manuals