EasyManua.ls Logo

Harman Kardon 730 - Understanding Other Controls; Front Panel Controls Explained; Circuit Protection and Fuse

Harman Kardon 730
24 pages
To Next Page IconTo Next Page
To Next Page IconTo Next Page
To Previous Page IconTo Previous Page
To Previous Page IconTo Previous Page
Loading...
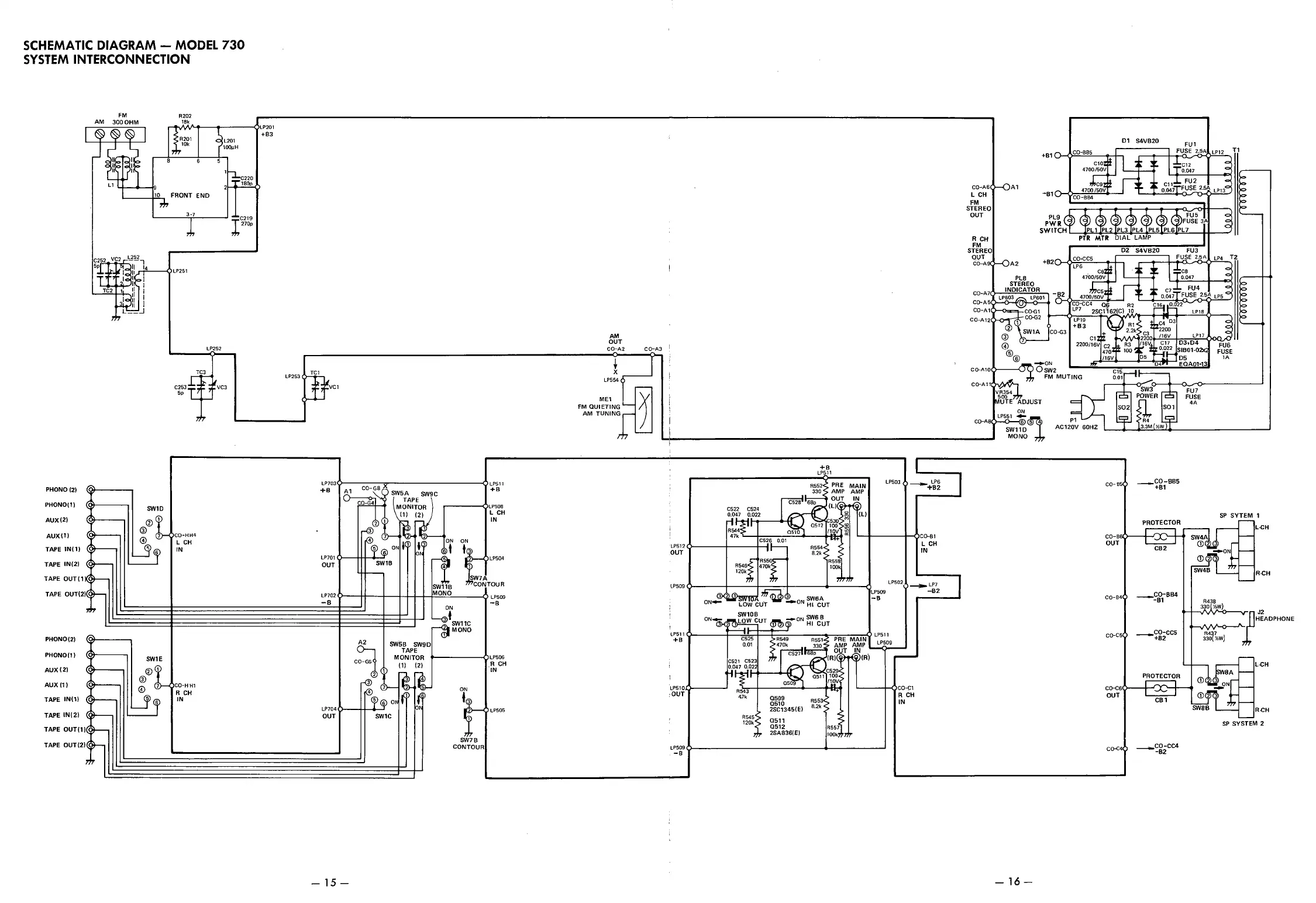
SCHEMATIC DIAGRAM - MODEL
730
SYSTEM
INTERCONNECTION
.......
'-AM-4---------<"JLP201
10
PHON0(2)
PHON0(1)
AUX(2)
AUX(1)
TAPE
IN(1I
TAPE
IN(2)
TAPE OUT(1
PHON0(2)
PHONO(I)
SW1E
AUX(2)
AUX(1)
TAPE IN(1)
TAPE
IN(2)
TAPE
OUT(1)
TAPE OUT(2)
FRONT ENO
3.7
LP25t
C253
5p
CO-HH4
L
CH
IN
C0-HH1
R
CH
IN
LP252
TC3
+B3
L201
270p
IC219
LP253
TCl
VCl
LP703
+B
LP701
OUT
LP702
-B
LP704
OUT
SW1C
SW7B
CONTOUR
-15
-
LP511
+B
LP508
L
CH
IN
LP504
LP509
-B
LP506
R
CH
IN
LP505
AM
OUT
C0-A2
+
X
ME1
FM
QUIETING
AM TUNING
CO-A3
LP512
OUT
!..P509
I
LP511
+B
LP510
,OUT
LP509
-B
+B1
CQ-A6
A1
L
CH
-B1
FM
STEREO
OUT
R
CH
FM
STEREO
QlJT
CO-A
A2
CO-A7
CO-A5
CO-A1
CO-A12
+B
LP511
LP503
~
LP6
C0-8
_co-sss
+B2
+B1
SP
SVTEM 1
C0-01
CO-B
L
CH
OUT
IN
LP502
~LP7
LP509
-B2
_CO-BB4
-B
CO-B4
-B1
A438
LOW
CUT
HI CUT
330
½W)
SW10B
SW6B
i°J2
HEADPHONE
LP511
_co-cc5
3~~rY,W)
co-cs
LP509
+B2
CO-Cl
CO-C6
R
CH
OUT
IN
SP
SYSTEM 2
100k
co-c
----:~
2
CC4
-16-

Other manuals for Harman Kardon 730

Related product manuals