EasyManua.ls Logo

Harmar Mobility AL300 - Installation with Swing-Away

Harmar Mobility AL300
64 pages
Print Icon
To Next Page IconTo Next Page
To Next Page IconTo Next Page
To Previous Page IconTo Previous Page
To Previous Page IconTo Previous Page
Loading...
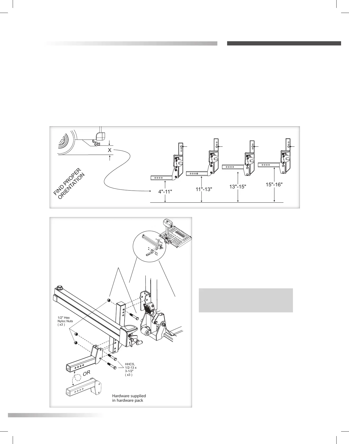
X
4"-11"
11"-13"
13"-15"
15"-16"
FIND PROPER
ORIENTATION
X
4"-11"
11"-13"
13"-15"
15"-16"
FIND PROPER
ORIENTATION
OR
1/2" Hex
Nyloc Nuts
(x3)
HHCS,
1/2-13 x
3-1/2"
(x3)
Hardware supplied
in hardware pack
OR
1/2" Hex
Nyloc Nuts
(x3)
HHCS,
1/2-13 x
3-1/2"
(x3)
Hardware supplied
in hardware pack
Outside Lifts - Installation & Owners Manual 2013
25
Section 2 : inStaller
Installatio n
INSTALLATION WITH SWINGAWAY
OPTIMIZING HITCH HEIGHT
You can vary the lift height by changing the Hitch Adapter’s orientation and
location. This helps you optimize the vehicle’s ground clearance to ensure
that the platform lays flat on the ground when it reaches the end of its travel.
Consult Figure 25-1 to select the orientation needed for the vehicle based on
the Hitch Height, that is, the vehicle’s hitch receiver distance to the ground.
1. Attach Hitch Adapter
to Swing-Away positioned
properly according to the
application’s Hitch Height.
[Figure 25-2]
Attach Swing-Away to lift. Do NOT
over-tighten.
Figure 25-1
Figure 25-2
NOTE: The Swing-Away replaces
the hitch post.

Other manuals for Harmar Mobility AL300

Related product manuals