EasyManua.ls Logo

Harmar Mobility AL300 - Al300

Harmar Mobility AL300
64 pages
Print Icon
To Next Page IconTo Next Page
To Next Page IconTo Next Page
To Previous Page IconTo Previous Page
To Previous Page IconTo Previous Page
Loading...
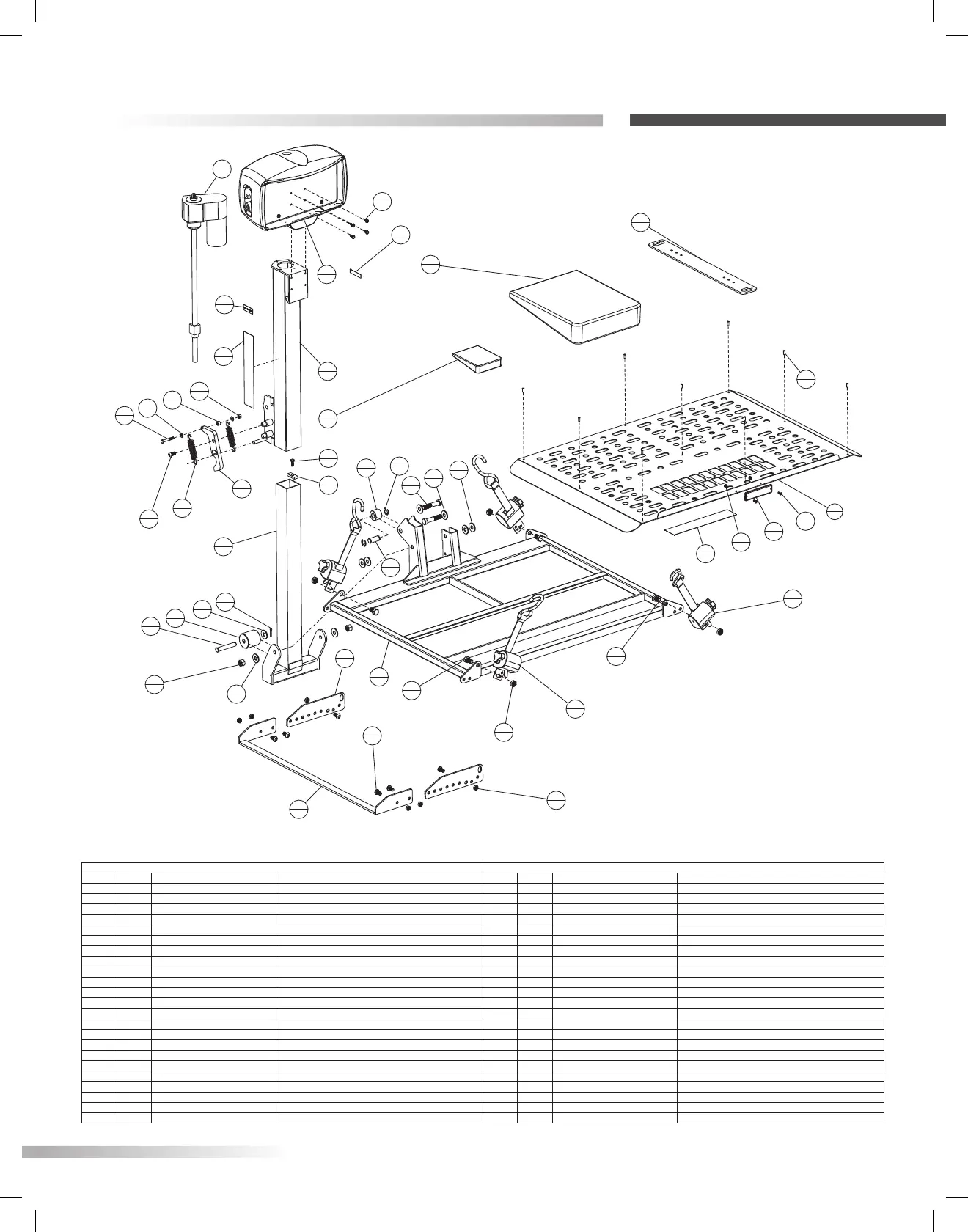
ASSEMBLY PARTS
ITEM QTY
PART NO. DESCRIPTION
1 1 201-ZA06-C INNER TUBE
2 1 202-ZA10-C OUTER TUBE
3 1 203-ZA10-C PLATFORM
4 1 204-ZA06-C EXTENDED CRADLE BAR
5 2 501-ZA06-C SPREADER BAR BRACKET
6 1 ALA10010REV2 ACUTATOR
7 1 ALA10032 ROLLER 2" DIA UHMW
8 1 ALA10050 TAB, ACTUATOR
9 1 ALA10095 STICKER, OUTSIDE LIFT
10 2 ALA11025 EXTENSION SPRING
11 1 ALA14096 RED REFLECTOR
12 1 ALA180 HARDWARE PACK
13 1 ALA50099 PATENT STICKER
14 1 ALA580 U-BOLT HARDWARE KIT
15 1 ALA58040C ANCHOR PLATE
16 1 ALA99995 LABEL, SERIAL NUMBER
17 6 BHCS-0_37-16--0_75-SS BUTTON HEAD, 3/8-16 x 0.75, SS
18 1 BHCS-0_37-16--1_00-SS-NP BUTTON HEAD 3/8-16 x 1.00 SS
19 2 BHCS-10-24--0_50-SS BUTTON HEAD, #10-24 X 0.50, SS
20 1 H10096 STICKER, PLATFORM
21 1 H11010 J-CAM
22 1 200-2A01-A MOTOR COVER ASSEMBLY
23 1 H14044 ROLLER
QTYITEM
PART NO. DESCRIPTION
ASSEMBLY PARTS
WASH-0_50-1_50--0_12-N
WASH-0_50-1_06--0_08-RH-SS
WASH-0_25-0_62--0_04-RH-SS
SPCR-0_25-0_50--0_31-N
PIN-0_50--3_00-CL-Z
PIN-0_12--1_50-CO-SS
NUT-10-24-NYLOCK-Z
NUT-0_50-13-NYLOCK-Z
NUT-0_50-13-NYLOCK-NTE-Z
NUT-0_37-16-NYLOCK-NTE-Z
NUT-0_25-20-NYLOCK-Z
HHCS-0_50-13--2_50-Z
HHCS-0_50-13--0_87-Z
HHCS-0_50-13--0_75-Z
HHCS-0_25-20--1_75-Z
HHCS-0_25-20--0_75-NP-Z
237
4
5
2
2
9
2
46
45
41
44
43
42
39
40
38
RR-0_62-EC-Z
1
1
1
RIV-188-SS
4
6
4
2
2
2
2
2
30
36
35
34
32
33
31
28
29
27
26
25
24
HWTS-14--0_75-Z
1
1
1
1
1
H50011B
H50010B
H14407
H14045
NUT, NYLOCK, 1/2-13, ZP
WASHER, FLAT, 1/2", NYLON
WASHER, FLAT, 1/2", SS
WASHER, FLAT, 1/4", SS
SPACER, 1/4", for CAM SPRINGS
E-CLIP, 5/8" SHAFT
CLEVIS PIN, 1/2" x 3" L, ZP
COTTER PIN
NUT, NYLOCK, #10-24, ZP
RIVET
THIN NUT, NYLOCK, 1/2-13, ZP
THIN NUT, NYLOCK, 3/8-16, ZP
NUT, NYLOCK, 1/4-20, ZP
HEX WASHER, #14 SELF DRILL, 0.75, ZP
HEX HEAD, 1/2-13 x 2.50, ZP
HEX HEAD, 1/2-13 X 0.88, ZP
HEX HEAD, 1/2-13 x 0.75, ZP
HEX HEAD, 1/4-20 x 1.75, ZP
HEX HEAD, 1/4-20 x 0.75, ZP
RIGHT HAND, Q-STRIANT - BLUE
LEFT HAND, Q-STRAINT - BLUE
ALUMINUM PLATE
CLEVIS PIN
29
1
32
2
34
1
42
2
6
1
8
1
10
2
28
1
39
1
1
1
2
1
21
1
3
1
22
1
23
1
24
1
40
1
43
1
45
1
44
2
45
2
45
2
7
1
18
1
25
1
46
4
41
9
9
1
33
4
16
1
20
1
12
1
11
1
38
2
27
2
26
2
31
2
36
4
14
1
4
1
5
2
19
2
13
1
15
1
17
6
37
2
30
2
35
6
EXPLODED VIEW - AL300
31
Outside Lifts - Installation & Owners Manual 2013
45
Section 2 : inStaller
Exploded Views
AL300

Other manuals for Harmar Mobility AL300

Related product manuals