EasyManua.ls Logo

Harvia Virta - Page 38

Harvia Virta
40 pages
Print Icon
To Next Page IconTo Next Page
To Next Page IconTo Next Page
To Previous Page IconTo Previous Page
To Previous Page IconTo Previous Page
Loading...
RU ET
38
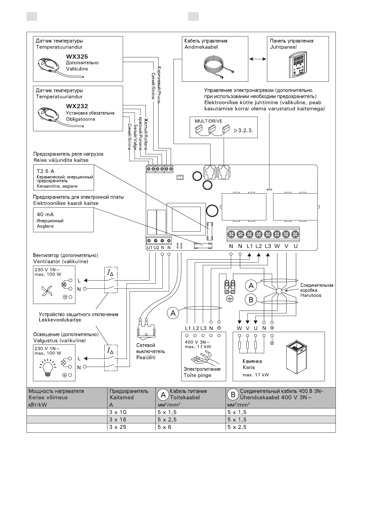
Рисунок 13. Электромонтаж пульта управления СG170 и каменки HL
Joonis 13. Juhtimiskeskuse CG170 ja HL-kerise
0–6,9
<7,0–11,0
<11,0–17,0

Table of Contents

Related product manuals