EasyManua.ls Logo

HATO 120 - Page 22

HATO 120
24 pages
Print Icon
To Next Page IconTo Next Page
To Next Page IconTo Next Page
To Previous Page IconTo Previous Page
To Previous Page IconTo Previous Page
Loading...
22
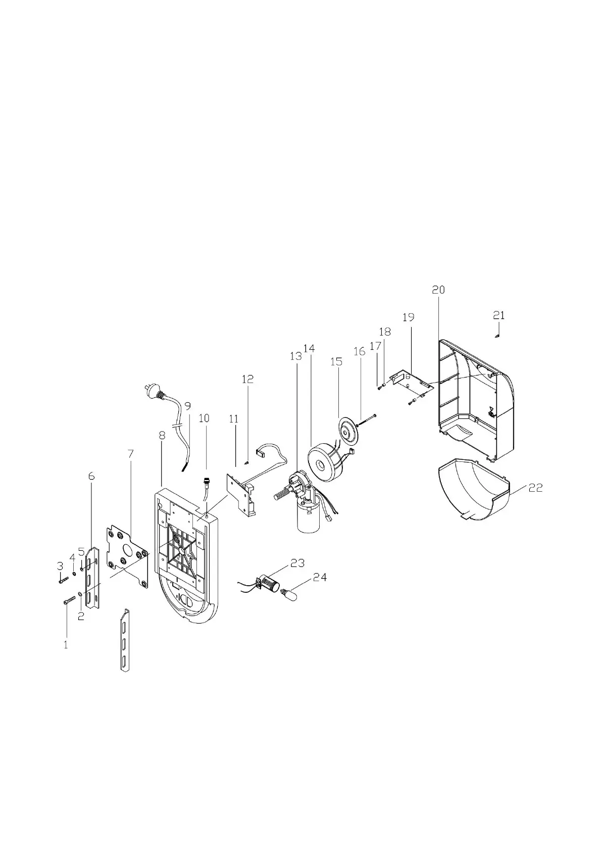
1. Screw (M6x30)
2. Washer
3. Screw (M6x30)
4. Spring washer
5. Washer
6. Angle iron
7. Base plate
8. Housing
9. Power cord
10. Fuse holder
11. Electronics board
12. Screw (2,9x8)
13. Motor
14. Transformer
15. Mounting element for the transformer
16. Screw (M8x50)
17. Screw (2,9x16)
18. Plastic washer
19. Control electronics board
20. Housing cover
21. Screws (4,2x16)
22. Lampshade
23. Bulb holder
24. 15W/230V light bulb

Related product manuals