EasyManua.ls Logo

Hayter LT324 - Electrical Circuit Diagram. 1.72

Hayter LT324
80 pages
Print Icon
To Next Page IconTo Next Page
To Next Page IconTo Next Page
To Previous Page IconTo Previous Page
To Previous Page IconTo Previous Page
Loading...
924916KG251004
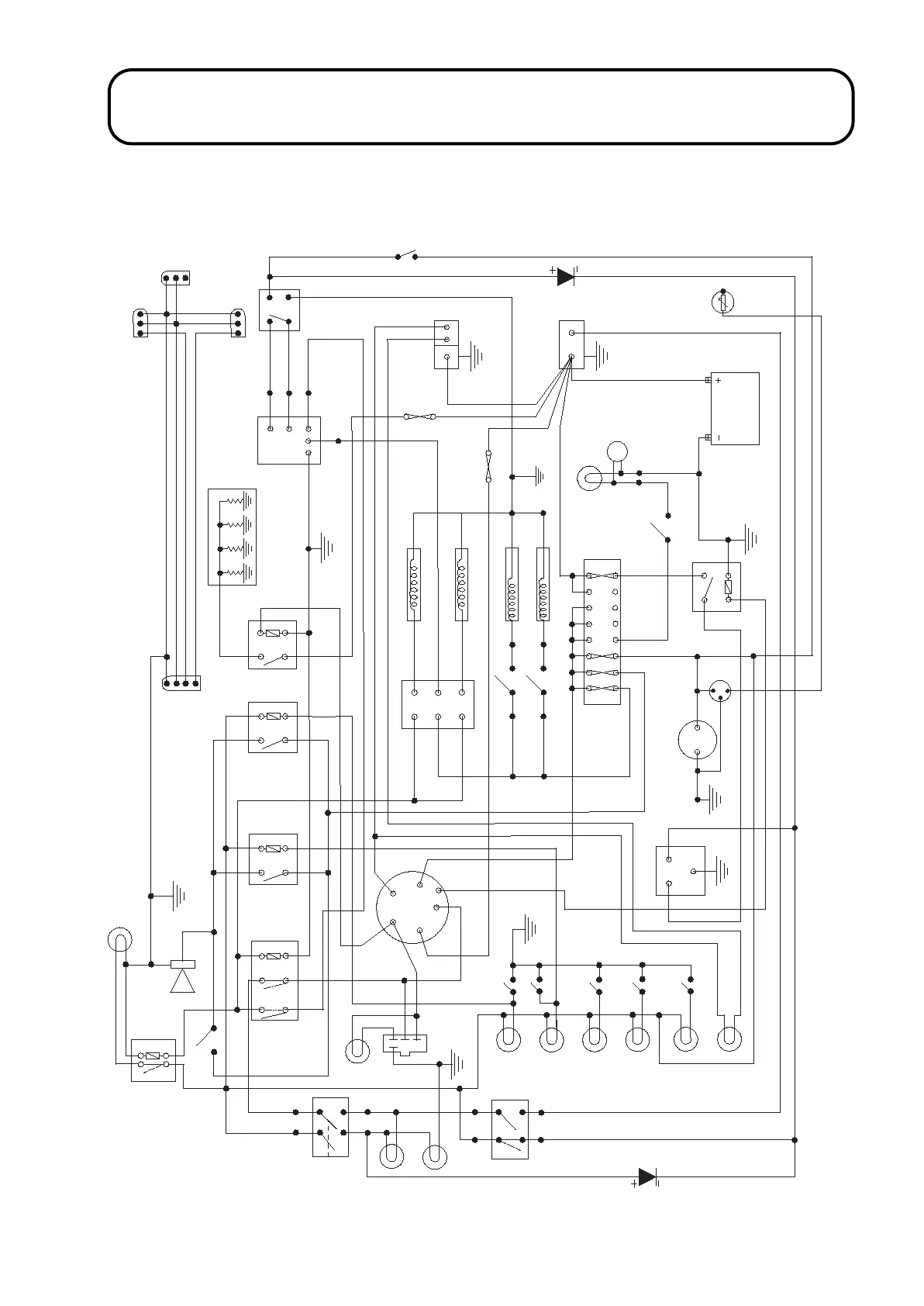
ELECTRICAL CIRCUIT DIAGRAM
85
Y
Y
BL
R
W/R
BL
R
2
BL
50
50
50
G/R
G/W
G/R
G/W
R/W
BL
50
1
4
Y
86
BL/PU
R
BL
32
P
30
85
87
42
43
30
86
87a
R
B/G
BL
44
B/G
W/BL
45
BL B
31
BL BU
R
13
14
15
16
12
R/O
PU
BU/R
48
0
BL
BLR
M
49
34
BL
B
B
B
BL
BL
51
17
19
20
W/PU
BL
18
B
PU
B
R
PU
R
1
2
3
4
5
6
BU/S
BU
BU/BL
21
B/BU
S
B/R
R/BU
P
W/B
87
30
86
85
5
W/B
B/R
7
G
G
R
D/G
G
B/R
53
30
87
86
85
PU/Y
8
BL
S
9
B/BU
52
Y
PU/Y
54
10
Y/BL
W/BU
57
11
19
58
15/54
50a
17
30
R
W
W
/B
30
W
36
B
W/B
37
BL
Y
W/BU
33
4
8
7
1
0
BL
30
86
87
85
3
Y
28
26
38
40
24
23
R/BU
29
27
39
W/Y
W/G
41
W/PU
25
S
B/BU
R/Y
W/R
35
W/BL
Y/BL
W/BU
55
Y/BL
P
22
2
1
BL
BU/R
Y
W/R
W/BU
Y/BL
BU/Y
Y
BL
B/BL
BU
Y
6
56
Y
BL
Y
Y
B/BL
4P924C01
2
PU
B
46
BL
R/PU
47
1.72
1.72

Table of Contents

Other manuals for Hayter LT324

Related product manuals