EasyManua.ls Logo

Hayward HP40B - Installation Guide; Water Piping Connections Diagram; Electric Wiring Diagram

Hayward HP40B
36 pages
Print Icon
To Next Page IconTo Next Page
To Next Page IconTo Next Page
To Previous Page IconTo Previous Page
To Previous Page IconTo Previous Page
Loading...
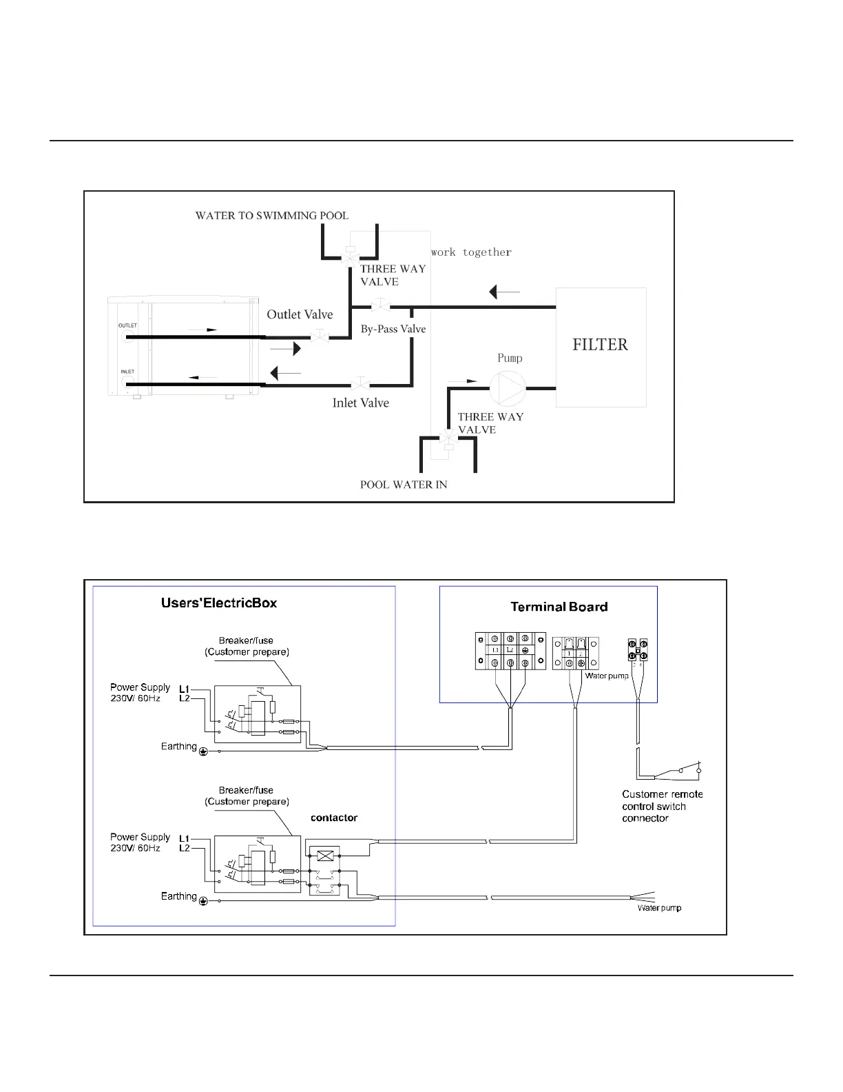
V. INSTALLATION GUIDE
1. Diagram for Water Piping Connections
2. Electric Wiring Diagram
7
Note: The diagram is for demonstration purposes only, and layout of the pipes is for reference only.
Note: The swimming pool heat pump must be grounded.

Related product manuals