EasyManua.ls Logo

Heathkit IT-12 - Noise Locator Function

Heathkit IT-12
30 pages
Print Icon
To Next Page IconTo Next Page
To Next Page IconTo Next Page
To Previous Page IconTo Previous Page
To Previous Page IconTo Previous Page
Loading...
Page 19
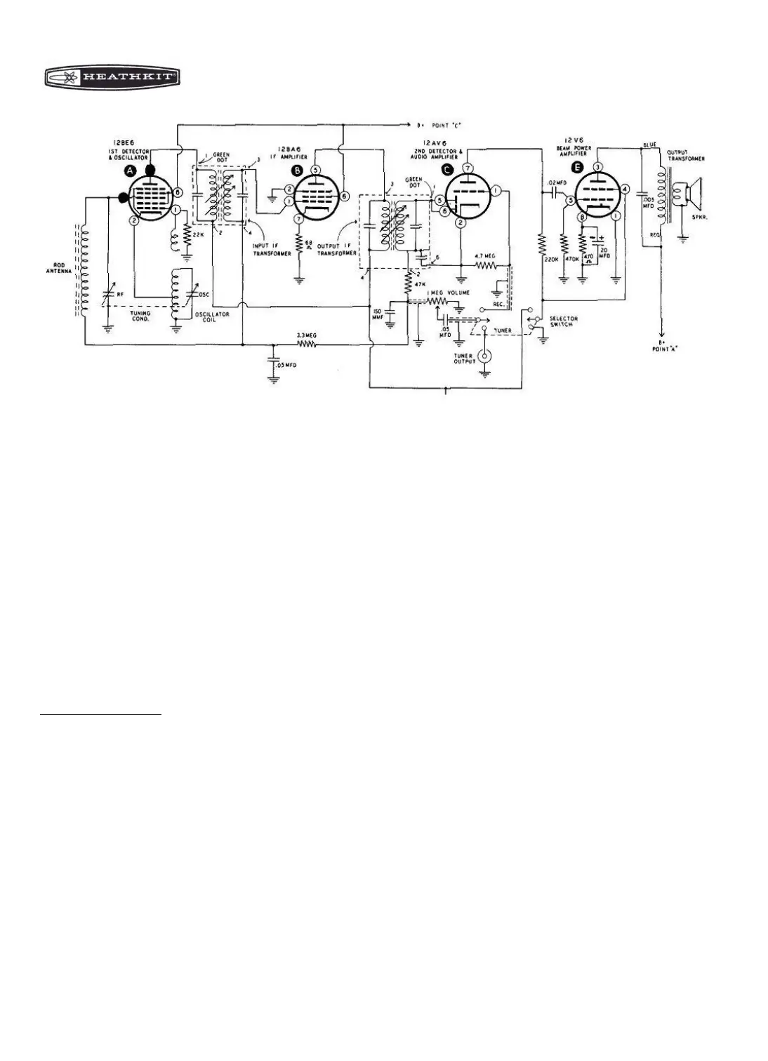
gain setting of the tracer. These combined conditions result in the hearing of a high hum level in the tracer when the probe
is connected to the plate. On some receivers the hum over-rides the signal making it necessary to move the probe to the
secondary of the input IF transformer, (pin 1 of tube B) in order to check the gain of the first stage.
The path of the signal can be traced through any suceeding IF stages to the detector. During these tests an approximate
estimation of gain per stage can be made. The amount of gain that can be expected in a circuit can best be determined by
previous experience in making similar tests.
In some cases the RF probe causes a slight detuning effect when applied to tuned circuits. In these cases advance the
probe to the following test point, and if a good signal is present it would be reasonable to assume that the preceding circuit
is functioning properly.
The same general procedure may be used in checking RF and IF stages in FM and TV circuits. Since the actual signal is
the prime factor of consideration, the signal tracer will detect the presence or absence of said signal regardless of the type
of circuit involved.
Audio Signal Tracing
After detection has taken place in the receiver, the use of the RF probe is not required and the switch in the probe should
be switched to the audio position. Here again the same general conditions previously described apply to the use of the
indicator tube and the speaker. From the detector stage (pin 5 and 6 of tube C) the signal can be traced through the various
coupling circuits, through the audio and output stage (tube C and E) and the output transformer. These tests can be made
quickly and easily and any circuit fault would be indicated by a loss of gain or signal in succeeding stages. Intermittent or
faulty volume controls and coupling condensers can also be quickly spotted. When using the tracer keep in mind that the
Signal Tracer will detect the presence as well as the absence of signal. For example, it is a common practice to use a high
capacity by-pass condenser in the cathode circuit of the output tube (pin 8 of tube E). In event the condenser is open there
will be a definite indication of a signal at the cathode, whereas a good condenser would by-pass the signal to ground in the
desired manner.
As a signal is traced through the audio system the signal level will be extremely high, and it will be necessary to reduce
the setting of the signal tracer gain control. A definite reduction in gain will be noted as the probe is moved from the
primary to the secondary of the output transformer. This is normal and is due to difference in the turns ratio and
impedance of the windings in the transformer.

Related product manuals