EasyManua.ls Logo

Heraeus HS 12 - Page 91

Default Icon
282 pages
Print Icon
To Next Page IconTo Next Page
To Next Page IconTo Next Page
To Previous Page IconTo Previous Page
To Previous Page IconTo Previous Page
Loading...
Service Instructions HERAsafe HS/12/18
62 Valid: 05.2001 / 50060091 / A
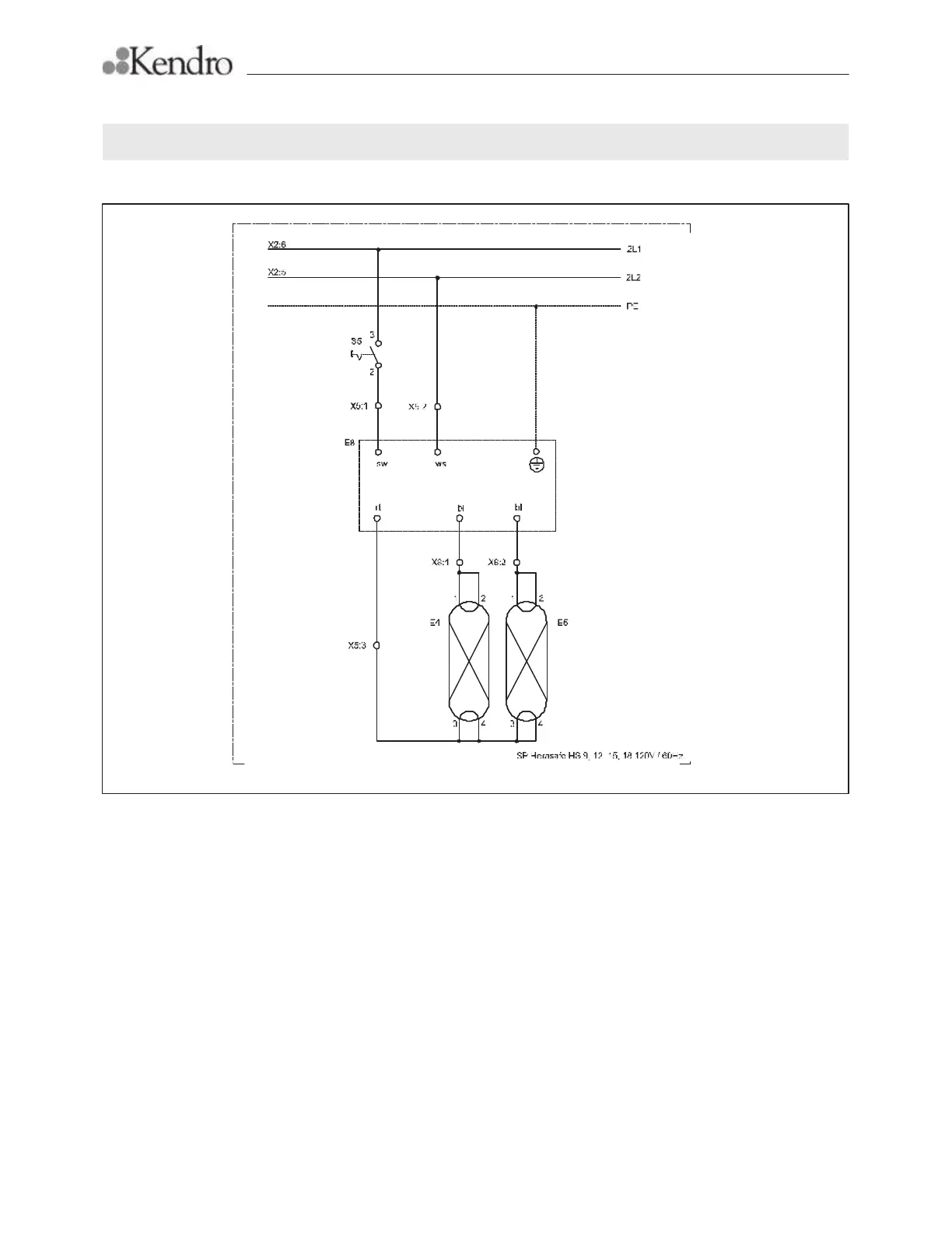
C Wiring diagrams, Fig. C3

Related product manuals