EasyManua.ls Logo

Heraeus HS 9 - Page 92

Heraeus HS 9
282 pages
Print Icon
To Next Page IconTo Next Page
To Next Page IconTo Next Page
To Previous Page IconTo Previous Page
To Previous Page IconTo Previous Page
Loading...
Service Instructions HERAsafe HS/12/18
Valid: 05.2001 / 50060091 / A 63
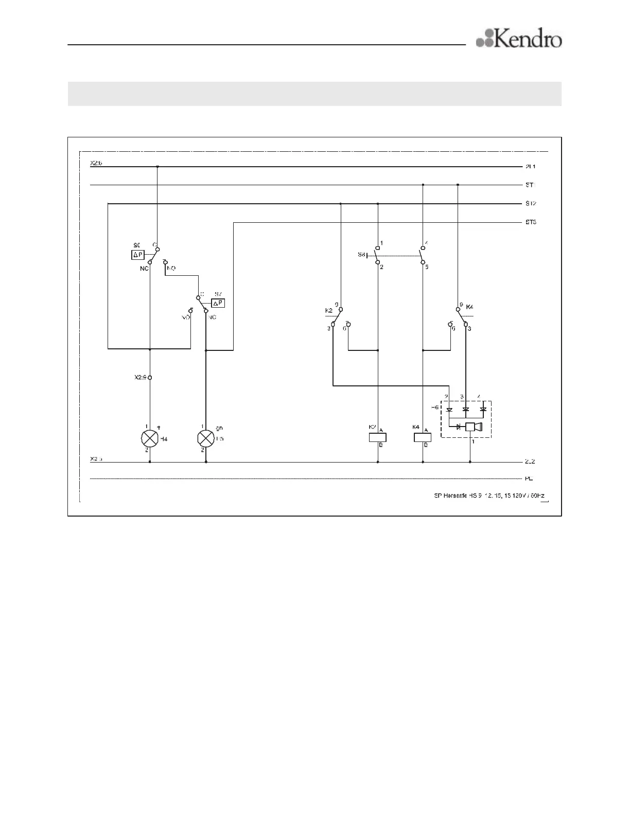
C Wiring diagrams, Fig C4

Related product manuals