EasyManua.ls Logo

HERON 2.2 - Page 22

HERON 2.2
24 pages
Print Icon
To Next Page IconTo Next Page
To Next Page IconTo Next Page
To Previous Page IconTo Previous Page
To Previous Page IconTo Previous Page
Loading...
22
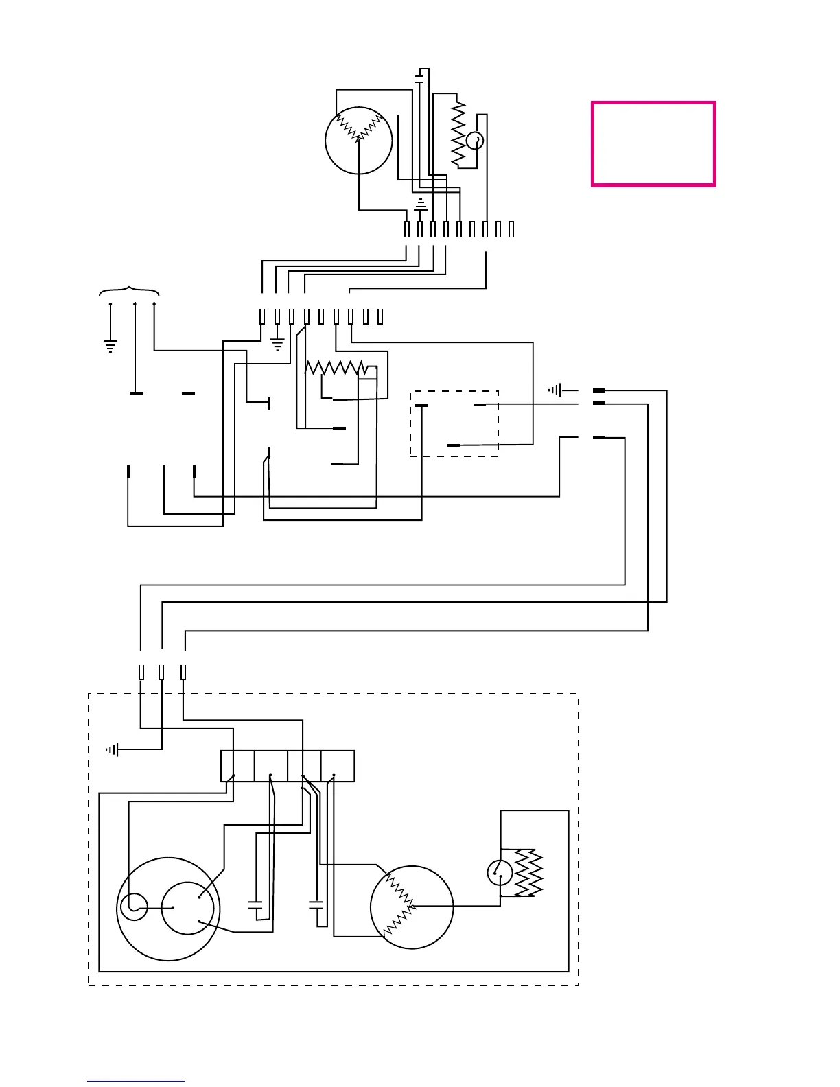
BLUE
YELLOW
YELLOW
2.5 mfd
20 mfd
BLUE
BLUE
BLUE
BROWN
BROWN
THERMAL
SWITCH
2X270
CONDENSER SET
RED
1
2
3
E
FAN
FAN
SPEED
SELECTION
SWITCH
BLUE
GREY
BROWN
BLUE
1
2
3
4
6
E
1
2
3
4
5
6
7
8
9
12
3
4
6
BLUE
RED
BLACK
RED
RED
RED
RED
BROWN
BROWN
BLUE
GREEN
132
E
CONTROL PANEL
BLUE
ORANGE
THERMOSTAT
MAINS
POWER
BROWN
BLUE
FAN
BLACK
GREY
1500W
HEAT
SWITCH
ORANGE
AIR HANDLER
1
2
3
4
5
6
7
8
9
1.5mfd
C
H
L
COMP.
O/C
C
R
S
E
cannot
print?????