EasyManua.ls Logo

Hill Phoenix 05DMA - Refrigeration Piping; Refrigeration System Diagram

Hill Phoenix 05DMA
32 pages
Print Icon
To Next Page IconTo Next Page
To Next Page IconTo Next Page
To Previous Page IconTo Previous Page
To Previous Page IconTo Previous Page
Loading...
6
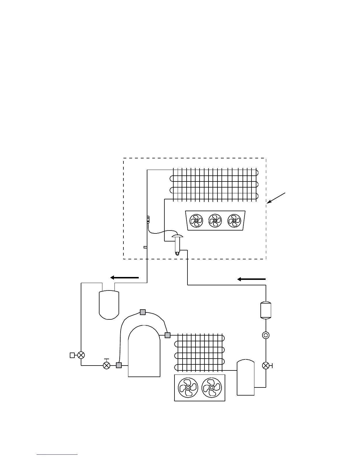
REFRIGERATION PIPING
The diagram below illustrates all of the
refrigeration components in the O5DMA.
The components surrounded by the box are
located in the case tank. Basic definitions of
these components are listed on the following
page.
If it becomes necessary to penetrate
the case bottom for any reason, make certain
it is sealed afterward with canned-foam
sealant and caulk.
The expansion valve and other controls
are located on the left-hand side of the case
and are accessible without lifting the fan
plenum. The controls cluster may be reached
by lifting only the left hand deck pan minimiz-
ing the need to unload product. The compres-
sor and condensing unit are located on top of
the case for easy access.
TXV
Bulb
Evaporator
Fans
Condenser
Fans
Service
Valve
TXV
1/4”
Access
Valve
Evaporator
Condenser
Compressor
Receiver
Service
Valve
Filter
Drier
Tank
Area
Flow Direction
Suction Line
Solenoid
Dual Pressure
Control
Flow Direction
Sight
Glass
Accumulator