EasyManua.ls Logo

Hillyard Trident V12XP - Page 28

Hillyard Trident V12XP
32 pages
Print Icon
To Next Page IconTo Next Page
To Next Page IconTo Next Page
To Previous Page IconTo Previous Page
To Previous Page IconTo Previous Page
Loading...
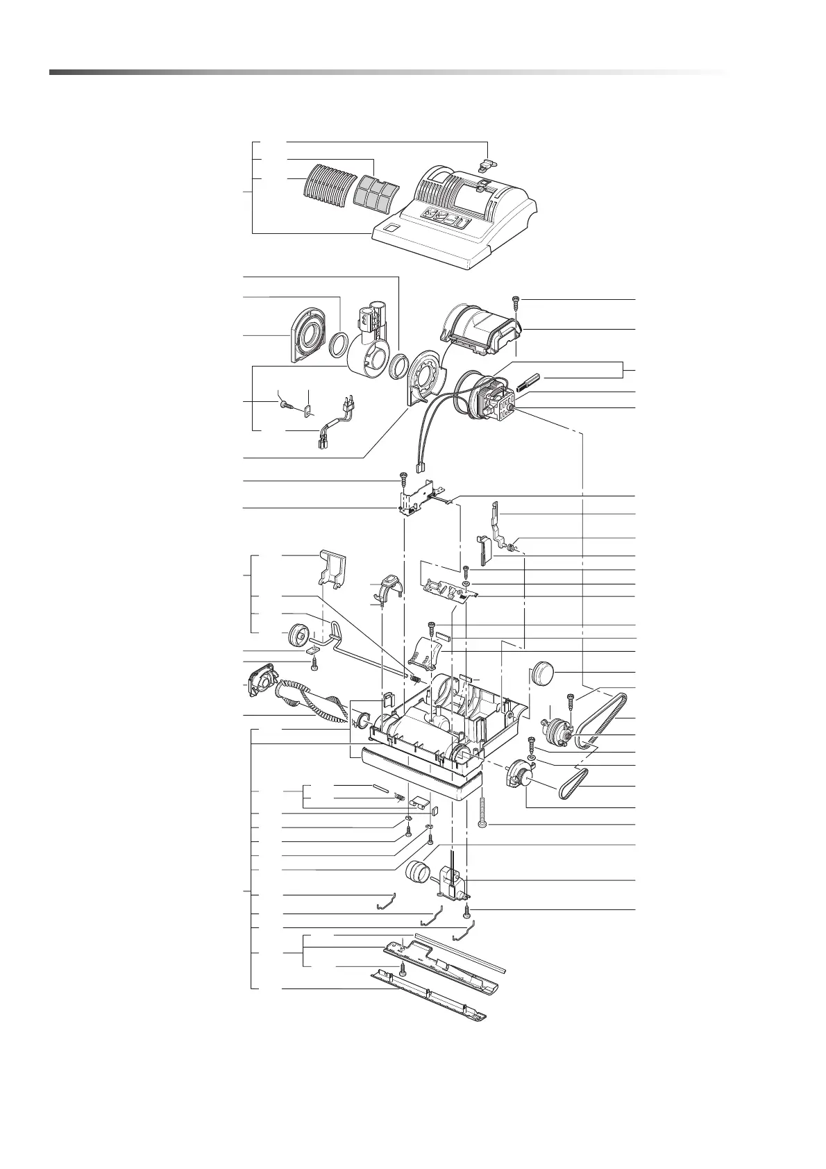
28
TRIDENT V12XP
100
109
108
111
110
101
102
103
104
106
122
123
106
121
116
119
115
114
107
105
151
106
154
131
106
158
141
142
143
144
148
149
106
106
150
119
153
156
157
155
152
133
159
145
146
132
117
140
134
124
127
126
125
129
130
129
130
128
118
120
136
135
139
137
138
138
160
160
112
147
113
HIL56081 - Operators Manual - Trident V12XP

Related product manuals