EasyManua.ls Logo

Hisense FC-13DD4SA1 - Chest Freezer System Diagram; Circuit Diagram

Hisense FC-13DD4SA1
11 pages
Print Icon
To Next Page IconTo Next Page
To Next Page IconTo Next Page
To Previous Page IconTo Previous Page
To Previous Page IconTo Previous Page
Loading...
- 6 -
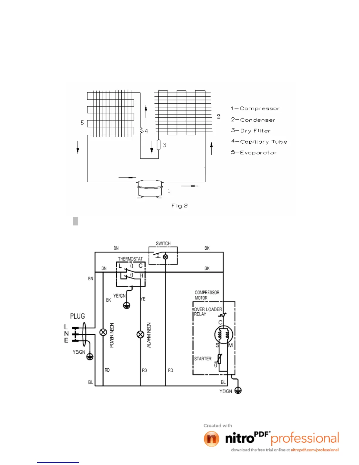
4. Chest Freezer system diagram
when the FREEZER is just powered on. The refrigerant flows in the sequence: Compressor
Condenser Dry filter Capillary tube Evaporator .
5. Circuit diagram

Related product manuals