EasyManua.ls Logo

Hitachi RAM-36NP2A - Initial Setting Circuit (IC401); Dip-switch

Hitachi RAM-36NP2A
87 pages
Print Icon
To Next Page IconTo Next Page
To Next Page IconTo Next Page
To Previous Page IconTo Previous Page
To Previous Page IconTo Previous Page
Loading...
– 75 –
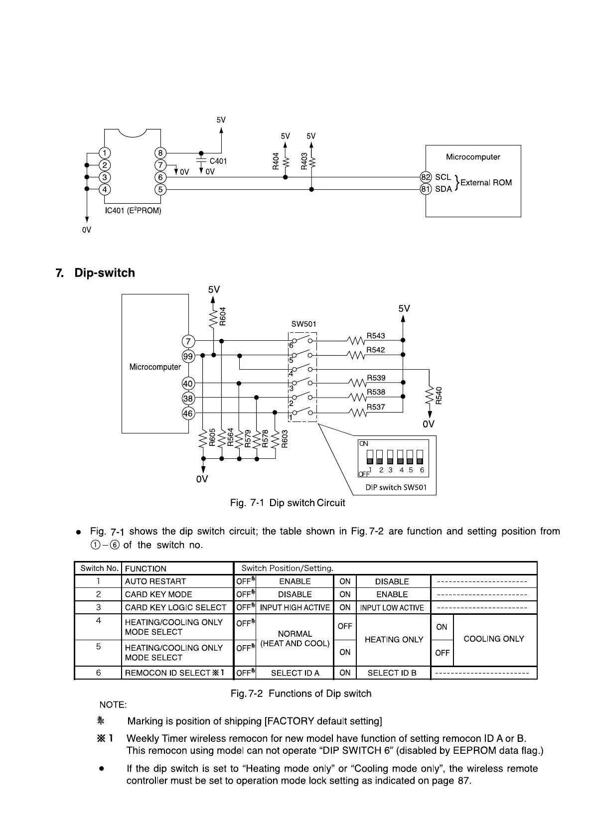
6. Initial Setting Circuit (IC401)
When power is supplied, the microcomputer reads the data in IC401 (E
2
PROM) and sets the preheating
activation value and the rating and maximum speed of the compressor, etc. to their initial values.
Data of self-diagnosis mode is stored in IC401; data will not be erased even when power is turned off.
Fig. 6-1