EasyManua.ls Logo

Hitachi VM-E338E - Key Section Schematics

Hitachi VM-E338E
60 pages
Print Icon
To Next Page IconTo Next Page
To Next Page IconTo Next Page
To Previous Page IconTo Previous Page
To Previous Page IconTo Previous Page
Loading...
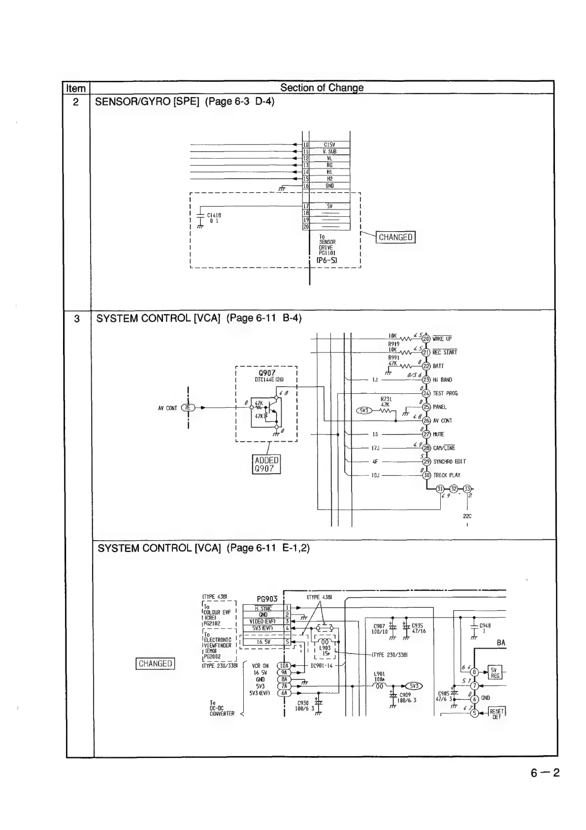
Item
|
Section
of
Change
(26)
AV
CONT
ld
i
y
:
(24)
TEST
PROG
R?31
0
47K
CVS)
48
8
18
7J
4
10J
SYSTEM
CONTROL
[VCA]
(Page
6-11
E-1,2)
lo
‘COLOUR
EVF
{
[CREI
|PG2102
To
|ELECTRONIC
IVIEWFINDER
'
;
|
(TYPE
230/338)
CHANGED
(TYPE
230/3381
{
VCR
ON
cya
16
SV
L901
GND
5V3
5V3
(EVP)
(TYPE
ae
PG903
(TYPE
4381
-
f\
To
O¢c-0C
CONVERTER

Related product manuals