EasyManua.ls Logo

Hitachi YUTAKI M Series - Yutaki S80

Hitachi YUTAKI M Series
194 pages
Print Icon
To Next Page IconTo Next Page
To Next Page IconTo Next Page
To Previous Page IconTo Previous Page
To Previous Page IconTo Previous Page
Loading...
ENGLISH
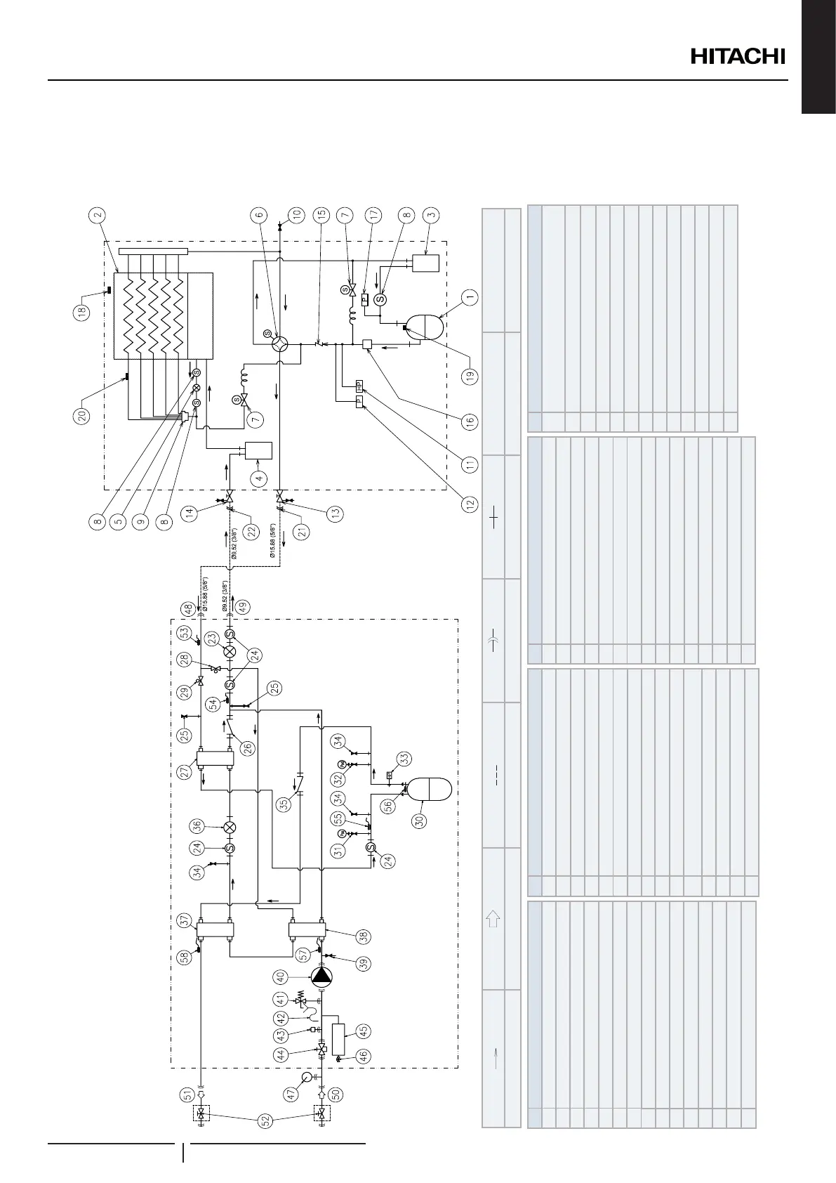
5.1.3 YUTAKI S80
5.1.3.1 Indoor unit standalone version
RAS-(4-6)WHVNP + RWH-(4.0-6.0)(V)NFE
Part name
1
OU compressor
2
Air side heat exchanger
3
Accumulator
4
Receiver
5
OU electronic expansion valve
6
4-way valve
7
Solenoid valve for gas by-pass
8
OU refrigerant strainer
9
Distributor
10
OU R-410A check joint
11
High pressure switch for protection
12
Sensor for refrigerant pressure
13
Stop valve for gas line
14
Stop valve for liquid line
15
OU check valve
Part name
16
Silencer
17
Pressure switch for control
18
Ambient thermistor
19
OU compressor discharge gas thermistor
20
OU pipe thermistor
21
OU refrigerant gas connection
22
OU refrigerant liquid connection
23
IU electronic expansion valve (R-410A)
24
IU refrigerant strainer
25
IU R-410A check joint
26
Check valve for R-410A
27
IU heat exchanger (R410A-R134a)
28
Solenoid valve 1 (For 1 cycle)
29
Solenoid valve 2 (For 2 cycles)
30
IU compressor
Part name
31
Low pressure sensor (Ps)
32
High pressure sensor (Pd)
33
IU high pressure switch (protection)
34
R-134a check joint
35
Check valve for R-134a
36
IU electronic expansion valve (R-134a)
37
IU heat exchanger (R134a-H2O)
38
IU heat exchanger (R410A-H2O)
39
Water pressure port
40
Water pump
41
Safety valve
42
Drain pipe
43
Air purger
44
Water strainer
45
Expansion vessel
Part name
46
Air valve for pressure regulation of expansion
vessel
47
Manometer
48
IU refrigerant gas connection
49
IU refrigerant liquid connection
50
Water inlet connection
51
Water outlet connection
52
Shut-off valve (Accessory)
53
IU gas pipe thermistor
54
IU liquid pipe thermistor
55
IU compressor suction gas thermistor
56
IU compressor discharge gas thermistor
57
Water inlet thermistor
58
Water outlet thermistor
Refrigerant 1 Refrigerant 2
Heating refrigerant ow Water ow Field supplied piping line Flare nut connection Brazed connection R-410A R-134a
REFRIGERANT CYCLE AND HYDRAULIC CIRCUIT
PMML0335A rev.1 - 04/2016
81

Table of Contents

Other manuals for Hitachi YUTAKI M Series

Related product manuals