EasyManua.ls Logo

Hitachi YUTAKI M Series - Indoor Unit for Integrated Tank Version

Hitachi YUTAKI M Series
194 pages
Print Icon
To Next Page IconTo Next Page
To Next Page IconTo Next Page
To Previous Page IconTo Previous Page
To Previous Page IconTo Previous Page
Loading...
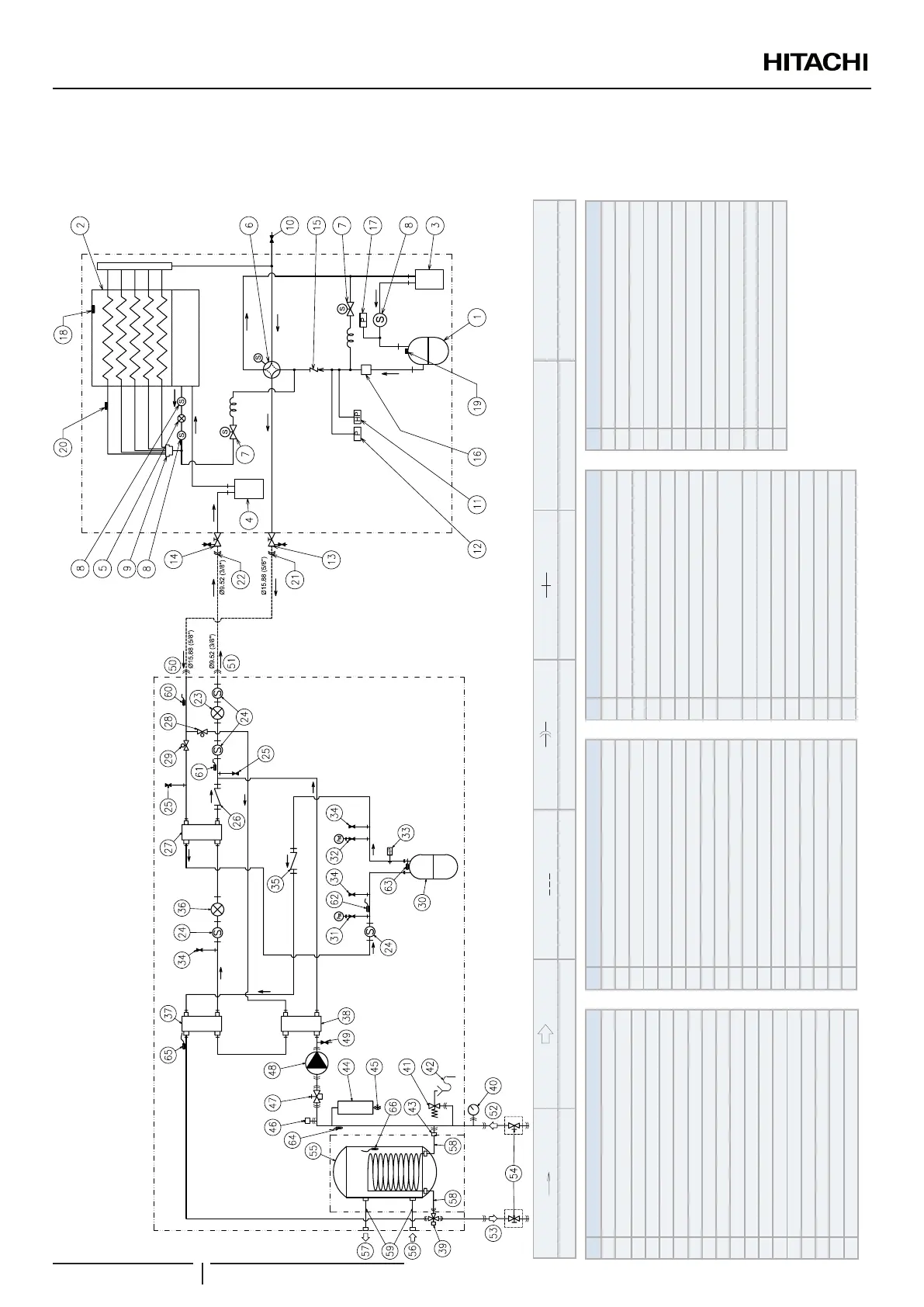
5.1.3.2 Indoor unit for integrated tank version
RAS-(4-6)WHVNP + RWH-(4.0-6.0)(V)NFWE
Refrigerant 1 Refrigerant 2
Heating refrigerant ow Water ow Field supplied piping line Flare nut connection Brazed connection R-410A R-134a
Part name
1 OU compressor
2 Air side heat exchanger
3 Accumulator
4 Receiver
5 OU electronic expansion valve
6 4-way valve
7 Solenoid valve for gas by-pass
8 OU refrigerant strainer
9 Distributor
10 OU R-410A check joint
11 High pressure switch for protection
12 Sensor for refrigerant pressure
13 Stop valve for gas line
14 Stop valve for liquid line
15 OU check valve
16 Silencer
17 Pressure switch for control
18 Ambient thermistor
Part name
19 OU compressor discharge gas thermistor
20 OU pipe thermistor
21 OU refrigerant gas connection
22 OU refrigerant liquid connection
23 IU electronic expansion valve (R-410A)
24 IU refrigerant strainer
25 IU R-410A check joint
26 Check valve for R-410A
27 IU heat exchanger (R410A-R134a)
28 Solenoid valve 1 (For 1 cycle)
29 Solenoid valve 2 (For 2 cycles)
30 IU compressor
31 Low pressure sensor (Ps)
32 High pressure sensor (Pd)
33 IU high pressure switch (protection)
34 R-134a check joint
35 Check valve for R-134a
36 IU electronic expansion valve (R-134a)
Part name
37 IU heat exchanger (R134a-H2O)
38 IU heat exchanger (R410A-H2O)
39 3-way valve
40 Manometer
41 Safety valve
42 Drain pipe
43 Connection for DHW tank (outlet)
44 Expansion vessel
45
Air valve for pressure regulation of expansion
vessel
46 Air purger
47 Water strainer
48 Water pump
49 Water pressure port
50 IU refrigerant gas connection
51 IU refrigerant liquid connection
52 Water inlet connection
53 Water outlet connection
Part name
54 Shut-off valve (Accessory)
55 Domestic hot water tank
56 DHW inlet
57 DHW outlet
58 Flexible pipe for space heating
59 Flexible pipe for DHW
60 IU gas pipe thermistor
61 IU liquid pipe thermistor
62 IU compressor suction gas thermistor
63 IU compressor discharge gas thermistor
64 Water inlet thermistor
65 Water outlet thermistor
66 DHW tank thermistor
Outdoor unit
YUTAKI S80
Optional
REFRIGERANT CYCLE AND HYDRAULIC CIRCUIT
PMML0335A rev.1 - 04/2016
82

Table of Contents

Other manuals for Hitachi YUTAKI M Series

Related product manuals